Electrical/Lighting/Alarm Having electrical problems? Discussion on everything electrical and lighting systems.

Accessory and Instruments fuses

Thread Tools
 
Search this Thread
 
Old Feb 21, 2026 | 07:39 AM
  #1  
Steve wade's Avatar
Steve wade
Thread Starter
|
Stage III
Joined: Feb 2026
Posts: 3
Likes: 0
Default Accessory and Instruments fuses

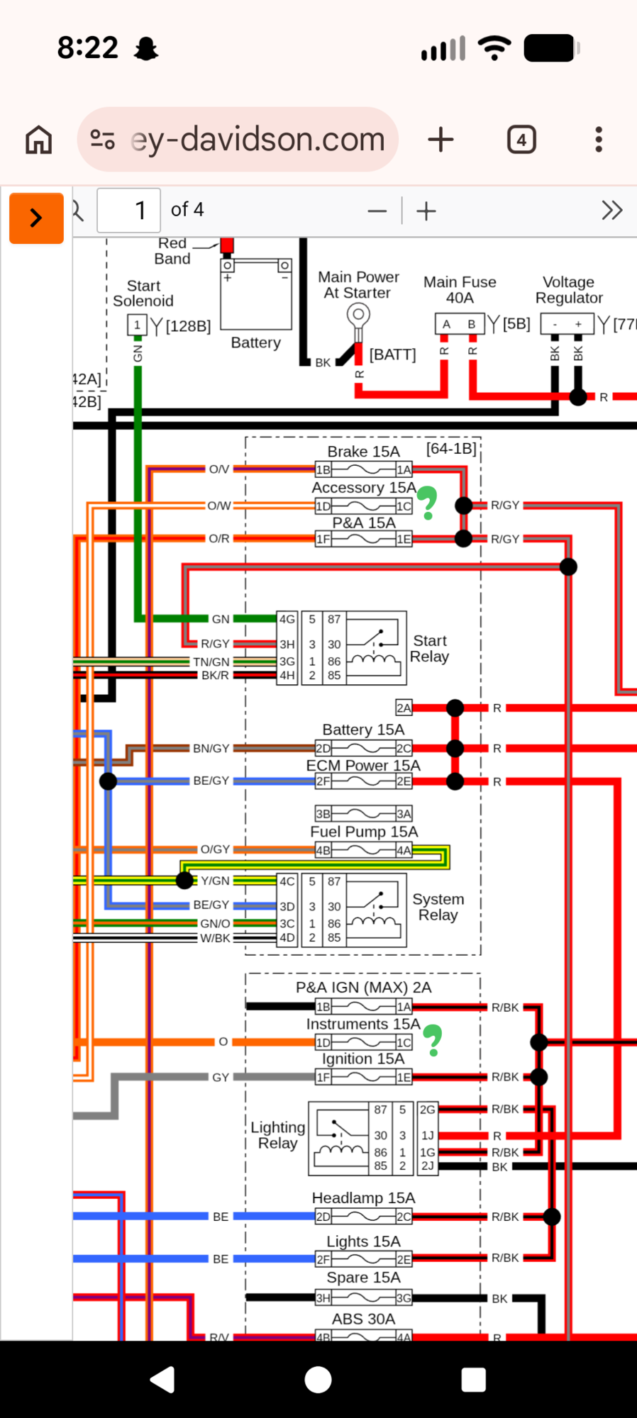
Help needed. I am trying to educate myself a little bit on the wiring diagram for my CVO 2013 road King. I notice on the wiring diagram that the instrument fuse and accessory fuse don't have a power source going into one side of the fuse. Are these fuses constant power? I would think that they would be switched power? With that being said all the other fuses either have a power wire going to them or an ACC wire going to them which makes total sense. I inserted two green question marks where I would think there would be a power source wire going into the fuse.
 
Reply
Old Feb 21, 2026 | 08:24 AM
  #2  
Hammerhead Pat's Avatar
Hammerhead Pat
Grand HDF Member
15 Year Member
Liked
Loved
Community Favorite
Joined: Apr 2010
Posts: 3,576
Likes: 1,137
From: Brandon,Fl
Default

Find an orange wire with a white stripe on it , that should be a switched power supply.
 
Reply
Old Feb 21, 2026 | 08:56 AM
  #3  
Max Headflow's Avatar
Max Headflow
Seasoned HDF Member
Joined: Dec 2005
Posts: 19,703
Likes: 7,886
From: poway
Default

Orange / White should go to the accessory part of the ignition switch and and the orange goes to the ignition side. It's an error in the drawing.. I've see other errors on other diagrams..
 
Reply
Old Feb 21, 2026 | 09:24 AM
  #4  
Steve wade's Avatar
Steve wade
Thread Starter
|
Stage III
Joined: Feb 2026
Posts: 3
Likes: 0
Default

Thanks, Hammer and Max! Yes Max that's what I was waiting for someone to confirm, that here is an error on this diagram.
 
Reply
Old Feb 22, 2026 | 07:34 AM
  #5  
Dan89FLSTC's Avatar
Dan89FLSTC
Seasoned HDF Member
Veteran: Navy
Active Streak: 30 Days
Top Answer: 3
Top Answer: 5
Joined: May 2008
Posts: 20,836
Likes: 12,330
From: South Carolina
Default

The diagram is missing the wire.
 
Reply
Old Feb 22, 2026 | 10:00 AM
  #6  
GalvTexGuy's Avatar
GalvTexGuy
Seasoned HDF Member
Veteran: Navy
10 Year Member
Joined: Apr 2015
Posts: 9,915
Likes: 5,203
Default

Originally Posted by Dan89FLSTC
The diagram is missing the wire.
Disregard…carry on.
 

Last edited by GalvTexGuy; Feb 22, 2026 at 10:19 AM.
Reply
Related Topics
Thread
Thread Starter
Forum
Replies
Last Post
mrsnipy
Tri Glide, RG3 & Freewheeler Models
10
Aug 2, 2024 06:55 AM
reid1
Sportster S
2
Sep 11, 2023 02:22 PM
DavesEagle
Electrical/Lighting/Alarm
3
Dec 16, 2018 10:29 AM
rob0225
Electrical/Lighting/Alarm
5
Dec 28, 2017 12:16 AM
drukanfu
Electrical/Lighting/Alarm
0
Sep 27, 2008 07:33 PM




All times are GMT -5. The time now is 10:11 PM.