Oil Archive (no new posts) An archive of oil related questions and comments.

O-ring part numbers?

 
Thread Tools
 
Search this Thread
 
Old Jun 17, 2023 | 07:58 AM
  #11  
Dan89FLSTC's Avatar
Dan89FLSTC
Seasoned HDF Member
Veteran: Navy
Active Streak: 30 Days
Top Answer: 3
Top Answer: 5
Joined: May 2008
Posts: 20,836
Likes: 12,330
From: South Carolina
Default

Stop complaining, start a new thread, tell us what the issue is, and maybe even tell us the model and year of bike.

And get thicker skin.

If you really came here for help, that is.

Have a nice day.
 

Last edited by Dan89FLSTC; Jun 17, 2023 at 08:38 AM.
Old Jun 17, 2023 | 08:54 AM
  #12  
dawg's Avatar
dawg
Seasoned HDF Member
Shutterbug
Liked
Loved
Community Favorite
Joined: Jun 2006
Posts: 28,274
Likes: 3,946
From: Vermont
Default

11157 cross references to a -209 size o-ring and 11301 cross references to a -110 size. You can look at McMaster or another place for bulk pricing on those sizes and made of appropriate material
 
Old Jun 17, 2023 | 09:48 AM
  #13  
Dan89FLSTC's Avatar
Dan89FLSTC
Seasoned HDF Member
Veteran: Navy
Active Streak: 30 Days
Top Answer: 3
Top Answer: 5
Joined: May 2008
Posts: 20,836
Likes: 12,330
From: South Carolina
Default

Originally Posted by dawg
11157 cross references to a -209 size o-ring and 11301 cross references to a -110 size. You can look at McMaster or another place for bulk pricing on those sizes and made of appropriate material
If the guy would have read the thread he would have seen this information was posted 13 years ago.
 
Old Jun 17, 2023 | 10:44 AM
  #14  
lowdrag's Avatar
lowdrag
Novice
Joined: Jun 2023
Posts: 16
Likes: 0
From: america
Default

Originally Posted by dawg
11157 cross references to a -209 size o-ring and 11301 cross references to a -110 size. You can look at McMaster or another place for bulk pricing on those sizes and made of appropriate material
thank you for that. I’m just not familiar with this sizing, unfamiliar with metric dimensions, such as inside diameter, outside diameter, and thickness.
It seems like McMaster Carr would take longer to get an order from compared to Amazon plus all the shipping costs I’d have to make a big order to make it worth it and right now I’m just trying to get the cam chest rebuilt
does it matter if it’s nitrile, silicone or Vitron?
I have an 88 twin cam and I’d like to search for all O-rings and gaskets at the best price that applies to the cam chest right now but also I wouldn’t mind other areas that are commonly replaced. Maybe there’s a list somewhere by motor? Most of the information I found is not detailed.
 
Old Jun 17, 2023 | 11:11 AM
  #15  
Dan89FLSTC's Avatar
Dan89FLSTC
Seasoned HDF Member
Veteran: Navy
Active Streak: 30 Days
Top Answer: 3
Top Answer: 5
Joined: May 2008
Posts: 20,836
Likes: 12,330
From: South Carolina
Default

Mcmaster Carr ships very fast.

Viton O rings are what you want.

As far as finding alternate o ring suppliers for the cam chest, good luck with that.

The o rings in the cam chest are critical, I would not use anything but OEM.

You still have not said what model and year bike you are working on.
 

Last edited by Dan89FLSTC; Jun 17, 2023 at 11:12 AM.
Old Jun 18, 2023 | 02:45 PM
  #16  
lowdrag's Avatar
lowdrag
Novice
Joined: Jun 2023
Posts: 16
Likes: 0
From: america
Default

Quick question. I have two of the small O-rings and a slightly larger one for the oil pump intake and I also have a larger one that’s a little larger than the camshaft it’s black and I’m not sure where it goes or if he got Mixtown from somewhere else. I don’t see it mentioned on any documentation but it’s hard to find good exploded views.
Are there any good kids that come with all the snap rings and O-rings and whatever for not too much. I looked up one of the kids and it looks exactly like the one for my bike but it says it doesn’t fit an 03 road king and I think that’s a mistake because you can’t seem to trust these parts places I had a problem with the axle for a Sebring, buying three of them until I realized they didn’t know that the manual transmission has two extra splines or two less I can’t remember

Originally Posted by Dan89FLSTC
Mcmaster Carr ships very fast.

Viton O rings are what you want.

As far as finding alternate o ring suppliers for the cam chest, good luck with that.

The o rings in the cam chest are critical, I would not use anything but OEM.

You still have not said what model and year bike you are working on.
 
Old Jun 18, 2023 | 03:41 PM
  #17  
dawg's Avatar
dawg
Seasoned HDF Member
Shutterbug
Liked
Loved
Community Favorite
Joined: Jun 2006
Posts: 28,274
Likes: 3,946
From: Vermont
Default

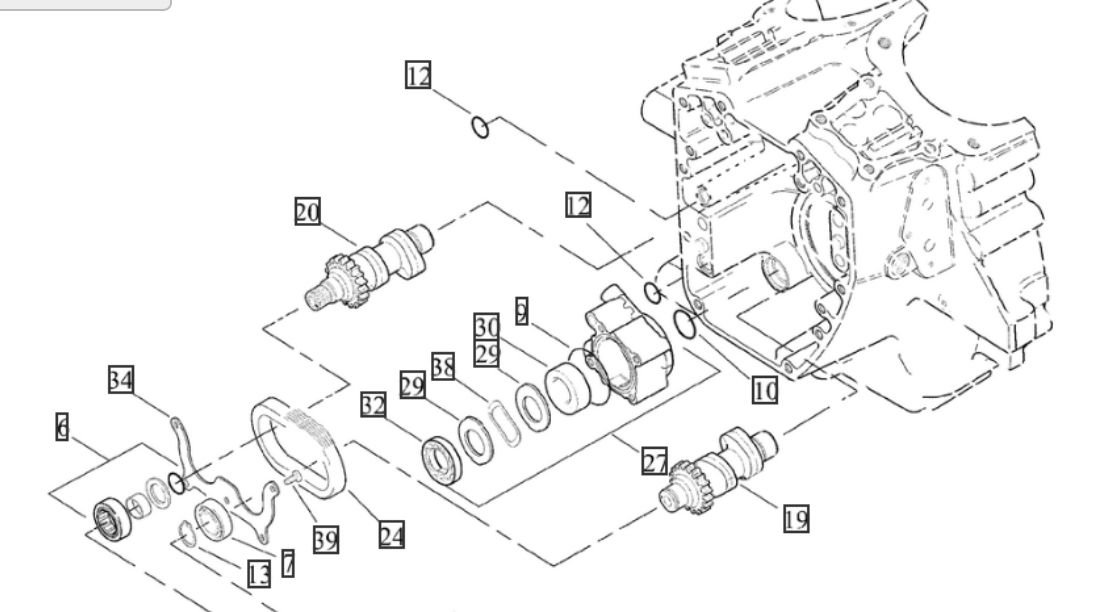
There’s two port o-rings at the back of the pump (12 in the pic) Then there’s a o-ring that goes at the back of the pump where the pump connects to the case (10 in the pic). Then there’s a larger o-ring at the front (9 in the pic) where the pump mates against the cam plate.


 
Old Jun 18, 2023 | 03:43 PM
  #18  
dawg's Avatar
dawg
Seasoned HDF Member
Shutterbug
Liked
Loved
Community Favorite
Joined: Jun 2006
Posts: 28,274
Likes: 3,946
From: Vermont
Old Jun 18, 2023 | 04:35 PM
  #19  
M Oclaf's Avatar
M Oclaf
Grand HDF Member
Liked
Loved
Community Favorite
Top Answer: 1
Joined: Aug 2020
Posts: 4,798
Likes: 5,888
From: Knoxville
Default

Rubber “dries” out after a while, no real reason to buy in the hundreds. 50k miles is 10 O-rings and not a dig, many don’t put 50k miles on their bikes before selling or trading. Add in tranny and maybe add 5 more? But hey, you do you?
 
Old Jun 18, 2023 | 05:41 PM
  #20  
Dan89FLSTC's Avatar
Dan89FLSTC
Seasoned HDF Member
Veteran: Navy
Active Streak: 30 Days
Top Answer: 3
Top Answer: 5
Joined: May 2008
Posts: 20,836
Likes: 12,330
From: South Carolina
Default

Are you going to tell us the model and year of the bike?
 



All times are GMT -5. The time now is 11:59 PM.