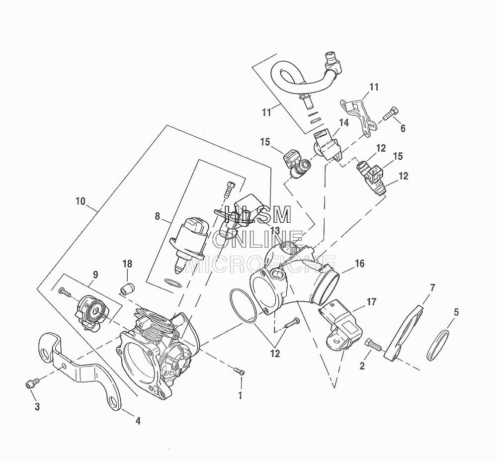
Map sensor
The MAP sensor sits on the top of your throttle body. The IAC ( idle air control) motor is on the intake side top, the injectors are on the primary side top, and the MAP sensor is in between. What code is set?
This listing shows some good pics of a sportster throttle body. https://www.ebay.com/i/113303030782?...CABEgKFCvD_BwE
This listing shows some good pics of a sportster throttle body. https://www.ebay.com/i/113303030782?...CABEgKFCvD_BwE
Last edited by rigidthumper; Jul 24, 2019 at 08:16 AM.
You might check all these connectors/wiring before replacing any parts- TMAP, TPS, JSS and VSS.
Intermittent TPS malfunctions may cause the TMAP to set a
code prior to the TPS codes setting. Verify smooth and consistent
TPS operation before replacing the ECM.
The TMAP, JSS, TPS and VSS are connected to the same
5V reference line. If the reference line shorts to ground or
opens, multiple codes may be set (DTC P0107, P0108,
P0122, P0123, P1501, P1502).
Intermittent TPS malfunctions may cause the TMAP to set a
code prior to the TPS codes setting. Verify smooth and consistent
TPS operation before replacing the ECM.
The TMAP, JSS, TPS and VSS are connected to the same
5V reference line. If the reference line shorts to ground or
opens, multiple codes may be set (DTC P0107, P0108,
P0122, P0123, P1501, P1502).
Trending Topics
Wouldn’t run above idle for 2 days. I pulled air cleaner and pulled and pushed connections. No help. 2 days later it started and ran no problem. 50 miles now without problem and no ECM message. No codes.
You had a bad connection and fixed it with the pulling and pushing. There is a yellow plastic lock that locks the plug in. Make sure its there. You will probably have it come loose again since you don't know how you fixed it.







