Touring Models Road King, Road King Custom, Road King Classic, Road Glide, Street Glide, Electra Glide, Electra Glide Classic, and Electra Glide Ultra Classic bikes.
Sponsored by:
Sponsored by:

Start Problem 08 FLHX

Thread Tools
 
Search this Thread
 
Old Feb 19, 2019 | 03:19 PM
  #1  
Rick321's Avatar
Rick321
Thread Starter
|
Stage III
Joined: Feb 2019
Posts: 3
Likes: 0
From: Auburndale FL
Default Start Problem 08 FLHX

My starter is trying to engage randomly when my bike is running in neutral or with clutch pulled in It is at a point that I can turn ignition on with run switch on and the bike will start without touching the start switch.
Its garage kept and the starter switch "feels" normal. I first became aware of it when I heard solenoid trying to fire starter while at a stoplight. It does it when I'm on or off the bike. I don't see any bare wires and and the battery cables are clean. Can someone familiar with this give me an idea on where to start diagnosis?
 
Reply
Old Feb 19, 2019 | 06:08 PM
  #2  
dawg's Avatar
dawg
Seasoned HDF Member
Shutterbug
Liked
Loved
Community Favorite
Joined: Jun 2006
Posts: 28,424
Likes: 3,948
From: Vermont
Default

Starter switch in need of replacing. 71684-06A I believe.
 

Last edited by dawg; Feb 19, 2019 at 06:10 PM.
Reply
Old Feb 20, 2019 | 11:20 AM
  #3  
btsom's Avatar
btsom
Grand HDF Member
10 Year Member
Community Builder
Liked
Top Answer: 1
Joined: Jan 2012
Posts: 4,441
Likes: 2,784
From: Oklahoma
Default

What have you recently done to the handle bars, especially on the right side, or to the electrical wiring anywhere on the bike?
 
Reply
Old Feb 20, 2019 | 05:56 PM
  #4  
Rick321's Avatar
Rick321
Thread Starter
|
Stage III
Joined: Feb 2019
Posts: 3
Likes: 0
From: Auburndale FL
Default Starter problem

Originally Posted by btsom
What have you recently done to the handle bars, especially on the right side, or to the electrical wiring anywhere on the bike?
I have done nothing. The bike is stock. No mods at all. Hasn't been dropped etc a couple of months ago I rode to work every day and it caught heavy rain a couple of times. Thats it..
 
Reply
Old Feb 21, 2019 | 08:30 AM
  #5  
btsom's Avatar
btsom
Grand HDF Member
10 Year Member
Community Builder
Liked
Top Answer: 1
Joined: Jan 2012
Posts: 4,441
Likes: 2,784
From: Oklahoma
Default

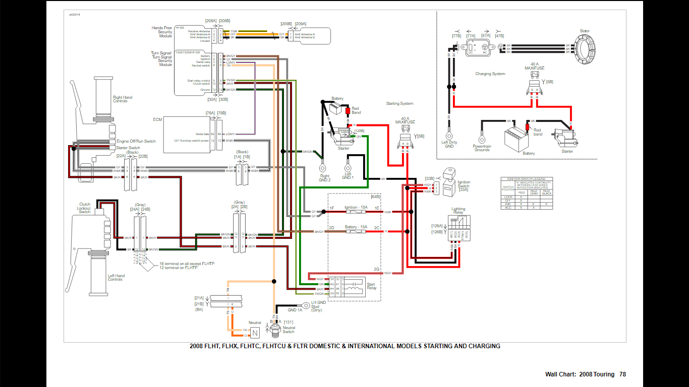
The starter circuit is divided into two circuits, the control circuit from the start button to the starter relay, and secondary circuit from the relay to the starter. Pull the small wire from the starter, protect it from touching any part of the bike, and repeat the actions that seem to cause the starter to engage. If the starter relay clicks, the problem is between (or is) the starter switch and the relay. If the relay is "dead", something is adding voltage between the relay and the wire you pulled off the starter. A wiring diagram with the color codes of the wires involved is essential to help you trace the wires. From a probability standpoint, it is unlikely that the insulation has worn off the exact two wires needed to take the place of the starter switch so if the relay still clicks, check for a start switch malfunction with a volt/ohm meter.
 
Reply
Old Feb 21, 2019 | 09:02 AM
  #6  
Vernal's Avatar
Vernal
Club Member
Shutterbug
Liked
Loved
Community Favorite
Joined: Apr 2013
Posts: 7,674
Likes: 8,398
From: Utah
Riders Club Member
Default

Hi Rick, welcome to the Forum from Utah.
I agree with Dawg and btsom, if you don't have the problem with the Run/Stop switch in Stop I'd check the Start button first.

The ignition fuse supplies 12V to the Run/Stop switch on Grey wire. When the switch is on the it puts 12V to the start button on the W/BK wire, press the start button and momentary 12V to start relay on BK/RD.
Good Luck


 
Reply
Old Feb 21, 2019 | 02:23 PM
  #7  
Rick321's Avatar
Rick321
Thread Starter
|
Stage III
Joined: Feb 2019
Posts: 3
Likes: 0
From: Auburndale FL
Default

Thanks. I can follow the logic of what you are saying even though I'm not an accomplished turner of wrenches.
I will try that and see how it goes. I'll post results.
 
Reply
Related Topics
Thread
Thread Starter
Forum
Replies
Last Post
Trimmerfl
EVO
5
Aug 14, 2018 07:02 PM
cskarns
EVO
11
Nov 28, 2017 08:30 PM
knights
Sportster Models
20
Jun 26, 2013 06:51 AM
stoneman
Dyna Glide Models
7
Jun 26, 2007 08:57 PM
86flst
Softail Models
6
Jun 18, 2007 05:39 PM




All times are GMT -5. The time now is 11:32 PM.