LOG IN
Forums
New Members & Forum Support
Welcome Area Only
Forum Issues
Harley Davidson Motorcycles
LiveWire
Touring Models
Dyna Glide Models
Softail Models
Sportster Models
Pan America
VRSC Models
Screamin Eagle CVO Models
Tri Glide, RG3 & Freewheeler Models
Harley-Davidson Street
Harley-Davidson X
HD Engines
Classic
Custom Models
Hacked, Conversions and Trailering
General Harley Davidson Chat
Harley Davidson Tech & Mechanical Forum
Detailing
General Topics/Tech Tips
Audio Systems
Primary/Transmission/Driveline/Clutch
Ignition/Tuner/ECM/Fuel Injection
Engine Mechanical Topics
Exhaust System Topics
Electrical/Lighting/Alarm
Oil Archive (no new posts)
Frame/Suspension/Front End/Brakes
Wheels/Tires
Blowers/Turbos/Nitrous Oxide
Carburetor Related
Powdercoat & Paint
Regional Events, Rides and Road Reports
Road Trips
HDForums Mascot
The Patriot Guard Riders
Members Meeting Members
National Events
"The Florida Crew"
"The Georgia Crew"
Northeast
Northeast Tri-State Area
Southeast
Great Lakes
Pacific
Pacific Northwest
Southwest
Mountain - Prairie
Canada
Europe
Other Countries
Sponsoring Vendors
Rockford Fosgate Audio
Parts Giant
J&M Motorcycle Audio
Fuel Moto / Jackpot Mufflers
Harley Davidson Classifieds
Vendor For Sale Classifieds
Vendor Announcements
Motorcycles For Sale
Motorcycle Audio-Buy/Sell/Trade
Want To Buy Motorcycles/Parts/Accessories
Motorcycle Parts For Sale-Misc. Parts
Stock Harley Take Offs
Gear and Other Items For Sale
Good Or Bad Shopping Experiences At HDF
Trades & Freebies (See Subforums for specific models)
Memorial Forums
In Memory Of...
On The Mend...
Prayer Requests
Team Forums
News
Marketplace
Vendor Directory
Become a Vendor
Member Marketplace
Vendor Marketplace
Site Store
Haynes Manuals
New Posts
Tools
Car Payment Calculator
Tire Rim Calculator
Recalls
Technical Service Bulletins (TSBs)
Members List
Live Feed
New Posts
How-Tos
Gallery
View Dark Mode
Please register or login to enable Dark Mode.
Log In
Threads
Google
Threads
Posts
Advanced
Dark Mode
Please register or login to enable Dark Mode.
Log In
Forgot your Password?
By logging into your account, you agree to our
Terms of Use
and
Privacy Policy
, and to the use of cookies as described therein.
or
Login with Google
Login with Facebook
Recent
Commented
Albums
My Pictures
My Post Pictures
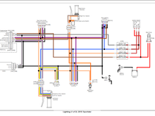
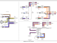
CoolBreeze3646
October 22, 2018
2494
0
Sort:
Default
Default
Most Recent
0
2022/05/24 10:14:08
CoolBreeze
0
2022/05/27 13:09:30
CoolBreeze
0
2022/05/27 13:16:37
CoolBreeze
0
2022/05/27 13:17:19
CoolBreeze
0
2022/05/27 13:18:48
CoolBreeze
0
2022/05/27 13:19:35
CoolBreeze
0
2022/05/27 18:24:48
CoolBreeze
0
2022/05/29 18:56:00
CoolBreeze
0
2022/05/30 14:05:34
CoolBreeze
0
2022/05/30 14:14:26
CoolBreeze
0
2022/06/02 05:40:28
CoolBreeze
0
2022/06/02 05:40:30
CoolBreeze
0
2022/06/02 05:40:31
CoolBreeze
0
2022/06/04 06:37:04
CoolBreeze
0
2022/06/04 06:37:05
CoolBreeze
0
2022/06/04 06:37:07
CoolBreeze
0
2022/06/04 06:37:08
CoolBreeze
0
2022/06/04 11:17:28
CoolBreeze
0
2022/06/04 11:17:29
CoolBreeze
0
2022/06/06 14:14:11
CoolBreeze
0
2022/06/06 14:14:12
CoolBreeze
0
2022/06/09 18:01:12
CoolBreeze
0
2022/06/12 05:18:23
CoolBreeze
0
2022/06/12 10:12:43
CoolBreeze
0
2022/06/12 10:12:46
CoolBreeze
0
2022/06/12 10:12:48
CoolBreeze
0
2022/06/13 18:40:44
CoolBreeze
0
2022/06/14 14:27:53
CoolBreeze
0
2022/06/14 14:31:37
CoolBreeze
0
2022/06/14 14:36:08
CoolBreeze
0
2022/06/14 14:36:10
CoolBreeze
0
2022/06/15 12:31:20
CoolBreeze
0
2022/06/20 17:38:06
CoolBreeze
0
2022/06/20 17:44:59
CoolBreeze
0
2022/06/23 08:51:23
CoolBreeze
0
2022/06/23 08:52:57
CoolBreeze
0
2022/06/23 09:00:01
CoolBreeze
0
2022/06/24 17:07:20
CoolBreeze
0
2022/06/25 16:00:02
CoolBreeze
0
2022/06/25 16:04:55
CoolBreeze
First
Page
24 of 63
Last
Go To
Page
1
...
22
23
24
25
26
...
63
24 of 63
Go To
GO
Go to page
of 63
pages
1
...
22
23
24
25
26
...
63
When you click on links to various merchants on this site and make a purchase, this can result in this site earning a commission. Affiliate programs and affiliations include, but are not limited to, the eBay Partner Network.
© 2026 MH Sub I, LLC dba Internet Brands