General Topics/Tech Tips Discussion on break in periods, rider comfort, seats and pad suggestions. Tech tips as they become available will be posted here.

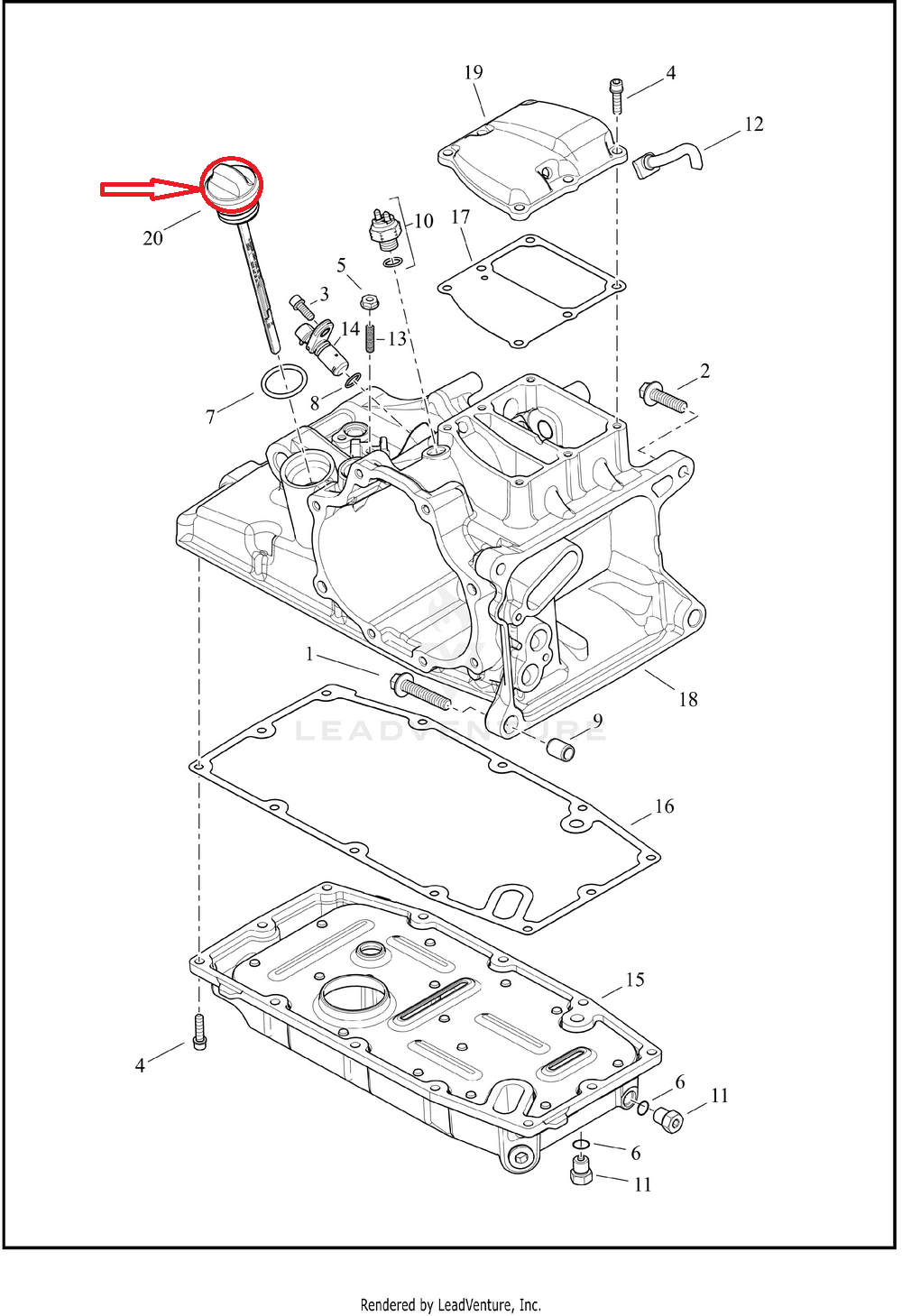
oil dip stick broken

Thread Tools
 
Search this Thread
 
Old Nov 24, 2025 | 11:16 AM
  #11  
Trumpet's Avatar
Trumpet
Road Master
Joined: Oct 2019
Posts: 920
Likes: 583
From: Connecticut
Default

Rough up the plastic, fill it with jbweld and stick a flat head screw driver in it.

After it cures, just turn it out like normal.
 
Reply
Old Nov 24, 2025 | 11:22 AM
  #12  
CoolBreeze3646's Avatar
CoolBreeze3646
Seasoned HDF Member
Joined: Aug 2006
Posts: 24,329
Likes: 30,477
From: Pennsylvania
Default

Originally Posted by Trumpet
Rough up the plastic, fill it with jbweld and stick a flat head screw driver in it.

After it cures, just turn it out like normal.
That is a great idea also.

Warming it up may help. I expect the o-ring seal is stuck on the metal part. Mine is always tight to get off cold or hot.
 
Reply
Old Nov 24, 2025 | 11:38 AM
  #13  
Sullyxlh's Avatar
Sullyxlh
Supporter
Photogenic
Liked
Loved
Community Favorite
Joined: Oct 2025
Posts: 132
Likes: 92
From: SE Michigan
Supporter
Default

And get whats left of that o ring out of there before you do anything!
 
Reply
Old Nov 24, 2025 | 03:55 PM
  #14  
chopper_man's Avatar
chopper_man
Stellar HDF Member
Veteran: Army
5 Year Member
Liked
Community Favorite
Joined: Apr 2016
Posts: 3,246
Likes: 2,049
From: Masshole
Default

Internal pipe wrench.
Amazon Amazon
 
Reply
Old Nov 24, 2025 | 05:11 PM
  #15  
Dan89FLSTC's Avatar
Dan89FLSTC
Seasoned HDF Member
Veteran: Navy
Active Streak: 30 Days
Top Answer: 3
Top Answer: 5
Joined: May 2008
Posts: 20,836
Likes: 12,330
From: South Carolina
Default

Is that part of the dipstick down inside?


 
Reply
Old Nov 24, 2025 | 06:02 PM
  #16  
CoolBreeze3646's Avatar
CoolBreeze3646
Seasoned HDF Member
Joined: Aug 2006
Posts: 24,329
Likes: 30,477
From: Pennsylvania
Default

Originally Posted by Dan89FLSTC
Is that part of the dipstick down inside?

Looks like just the top cap broke off leaving the threads and dipstick in the top of the transmission/oil case. I think the JB Weld idea would work well with minimum cost/effort.



 
Reply
Old Nov 25, 2025 | 09:21 AM
  #17  
foxtrapper's Avatar
foxtrapper
HDF Community Team
Veteran: Navy
Veteran: National Guard
10 Year Member
Top Answer: 3
Joined: Nov 2012
Posts: 6,184
Likes: 2,407
From: USA
Community Team
Default

The internal pipe extractor tool @Chopper Man linked works very well and is pretty darn cheap. It's a handy tool to have around for many things.

That said, if you're careful you likely can rotate it out using a punch and a hammer. Just don't damage the metal housing doing that.

Once you get your replacement dipstick, I'd recommend spraying it with silicone spray, just to help keep it from sticking. I don't know what it is about Harley dipsticks, but they do seem to love sticking themselves in place. The silicone spray helps keep that from being so obnoxious.
 
Reply
Old Nov 25, 2025 | 09:44 AM
  #18  
Uncle Larry's Avatar
Uncle Larry
Seasoned HDF Member
Veteran: Army
15 Year Member
Joined: Jan 2011
Posts: 157,110
Likes: 56,613
From: Michigan 15 Minutes East Of Hell
Default

Originally Posted by Trumpet
Rough up the plastic, fill it with jbweld and stick a flat head screw driver in it.

After it cures, just turn it out like normal.
Something I never thought of ... Just might do the trick
 
Reply
Old Nov 25, 2025 | 02:44 PM
  #19  
im's Avatar
im
Seasoned HDF Member
Joined: Feb 2007
Posts: 6,034
Likes: 1,099
From:
Default

It looks like the engine oil dip stick for an unknown year and model.
It is unknown if it a factory original part, some aftermarket item or perhaps an accessory item.
It looks like the TOP/CAP part separated from bottom part.
It is unknown if it is an aftermarket or accessory product that might have a temperature gauge.
It is unknown if the secondary part is loose and has the possibility of falling deep into the pan.

If it is the plastic factory screw in kind of dipstick that has disengaged from top handle then perhaps just using some needle nose pliers OPENED on inside of tube portion to tighten plier legs against inside walls while turning would work to unscrew.
Covering each leg of opened needle nose pliers with some oil line or fuel hose might get you some more grip.
Just have a plan so nothing is dropped inside.
If you are going to lubricate with a few drops the junction of plastic to motor then might as well use the same engine oil to avoid contamination.
For heating that area of motor a hair dryer works and is more pin point to area of concern and there is less chance of burning your hands with hot motor while working in that area.
 
Reply
Old Nov 25, 2025 | 06:42 PM
  #20  
FOCI's Avatar
FOCI
Thread Starter
|
Tourer
15 Year Member
Liked
Joined: Aug 2008
Posts: 273
Likes: 10
From: swanzey nh.
Default

I got it out what I did was taking a 19 millimeter socket inserted it into the opening hammered it down lightly and then used a extension and ratchet and got it out and then broke the bottom of dipstick pn the ground then I got the socket out
 
Reply



All times are GMT -5. The time now is 11:41 PM.