2024+ Center-Cooled Touring Models 2023.5+ CVO and 2024+ Road Glide/Street Glide/Street Glide Ultra Center-Cooled Gen 2 M8 Touring models

Heated gear and fuses

Thread Tools
 
Search this Thread
 
Old Mar 16, 2026 | 01:52 PM
  #21  
maxxym's Avatar
maxxym
Thread Starter
|
Stellar HDF Member
Photogenic
Photoriffic
Shutterbug
Joined: Jul 2020
Posts: 3,423
Likes: 2,434
Default

Originally Posted by Cosmic Razorback
It will be the fuse on the Gerbing connector to the bikes battery.
I will not be using that connection. I will be using connectors under the seat already provided by Harley.
 
Reply
Old Mar 16, 2026 | 02:18 PM
  #22  
Pappy35's Avatar
Pappy35
Road Master
Photogenic
Liked
Loved
Community Favorite
Joined: May 2022
Posts: 817
Likes: 666
From: Near Memphis
Default

Originally Posted by maxxym
I will not be using that connection. I will be using connectors under the seat already provided by Harley.
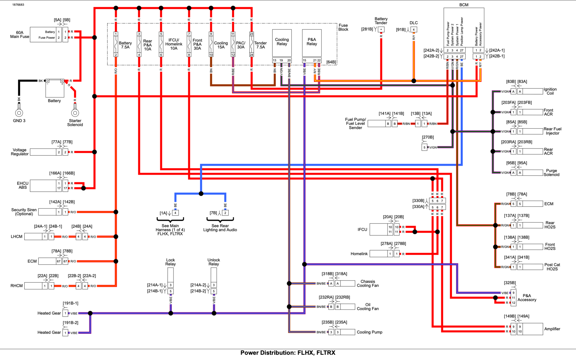
The 24+ bikes have a switched 60A auxiliary power circuit. Sixty amps the total current capacity for all attached devices like heated grips and seat, heated gear, phone chargers, GPS power, whatever is wired into the circuit. There are three ways to tap into switched 12V aux. power on these bikes: first is via the Molex 12-pin plug under the seat, second is a similar Molex plug in the fairing, and finally the two heated gear barrel plugs under the seat (I guess that's four point, not three).

I do not recommend connecting directly to the battery because it's not switched which you might, however unlikely, forget to turn off your gear which would kill the battery. Those two barrel plugs are ideal because they are switched off when the bike is shut down, and with 60A available, you don't have to worry about blowing a fuse. If you do somehow, the fuse box is under the left side cover (see you owners manual for the specific fuse).
 
Reply
Old Mar 16, 2026 | 02:33 PM
  #23  
maxxym's Avatar
maxxym
Thread Starter
|
Stellar HDF Member
Photogenic
Photoriffic
Shutterbug
Joined: Jul 2020
Posts: 3,423
Likes: 2,434
Default

yeah Pappy, I always try to stay away from hooking up directly to the battery.
 
Reply
Old Mar 16, 2026 | 05:19 PM
  #24  
Cosmic Razorback's Avatar
Cosmic Razorback
Club Member
15 Year Member
Community Builder
Community Influencer
Active Streak: 30 Days
Joined: Aug 2008
Posts: 21,537
Likes: 22,291
From: North Carolina
Riders Club Member
Default

Cool, I didn't know the new bikes are set up like that.

 
Reply
Old Mar 16, 2026 | 05:29 PM
  #25  
maxxym's Avatar
maxxym
Thread Starter
|
Stellar HDF Member
Photogenic
Photoriffic
Shutterbug
Joined: Jul 2020
Posts: 3,423
Likes: 2,434
Default

I checked the fuse and one that’s in there is 30 (blue) that is being used by accessories and gear.


The jacket arrived. Fits perfectly. It’s really nice quality too. I tried it so I plugged it in directly to the bike. Holy **** that thing gets HOT. I am very impressed and now I am super excited to be able to ride in colder weather! I can’t wait.

I had to return the gloves since they were too small. Ordered size larger. I have two different sets coming in. Ones without the knuckles and ones with knuckles and little beefier. Not sure which ones I want. I like the idea of full protection but at the same time, I hate bulky gloves.

This is like Christmas in March!

 
Reply
Old Mar 16, 2026 | 05:33 PM
  #26  
maxxym's Avatar
maxxym
Thread Starter
|
Stellar HDF Member
Photogenic
Photoriffic
Shutterbug
Joined: Jul 2020
Posts: 3,423
Likes: 2,434
Default

Originally Posted by Cosmic Razorback
Cool, I didn't know the new bikes are set up like that.
Yeah it’s a nice setup actually. There are two plugs. One for you and one for lady Cosmic 😄
 
Reply
Old Mar 16, 2026 | 05:48 PM
  #27  
Hulkss's Avatar
Hulkss
HDF Community Team
10 Year Member
Photogenic
Photoriffic
Shutterbug
Joined: Sep 2013
Posts: 2,314
Likes: 2,264
From: Wisconsin
Community Team
Default

For my 2025 FLTRX:
The battery tender connection is on a dedicated 7.5 amp fuse.
The heated gear connectors under the seat share a 30 amp circuit with some other accessories.



 

Last edited by Hulkss; Mar 16, 2026 at 05:57 PM.
Reply
Old Mar 17, 2026 | 04:07 AM
  #28  
kojak's Avatar
kojak
Seasoned HDF Member
15 Year Member
Community Builder
Liked
Loved
Joined: Jan 2007
Posts: 5,499
Likes: 3,901
From: Virginia
Default

Good info.
 
Reply
Old Mar 17, 2026 | 09:34 AM
  #29  
Pappy35's Avatar
Pappy35
Road Master
Photogenic
Liked
Loved
Community Favorite
Joined: May 2022
Posts: 817
Likes: 666
From: Near Memphis
Default

Originally Posted by Hulkss
For my 2025 FLTRX:
The battery tender connection is on a dedicated 7.5 amp fuse.
The heated gear connectors under the seat share a 30 amp circuit with some other accessories.

Whoa, I screwed that all up. I was thinking about the 60A main fuse. Should have checked that diagram before my post!
 
Reply
Old Mar 17, 2026 | 06:23 PM
  #30  
maxxym's Avatar
maxxym
Thread Starter
|
Stellar HDF Member
Photogenic
Photoriffic
Shutterbug
Joined: Jul 2020
Posts: 3,423
Likes: 2,434
Default

Well, this kind of sucks. My gloves arrived today but they were clearly used. Didn’t even come with package, just in a cardboard box, tied together with a plastic string. Kind of pissed because they actually fit good.

Luckily, I bought different model with knuckles on them and they arrive tomorrow. They are going to hate me because I ordered 4 different ones in different sizes.

Still I think it’s shady for the company to send out used ****. They weren’t cheap either.

Rant over
 
Reply



All times are GMT -5. The time now is 10:05 PM.