charging system
What you are checking is the condition of the diodes used to rectify the AC to DC. A Diode can fail open or shorted.
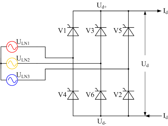
Diodes allow current to flow in one direction and block it flowing the opposite direction.
Set you meter to Ohms or to the diode check setting if it has one. You will connect the meter + lead to the DC + output lead and touch the other meter lead to the AC input wires. All AC input wires should show the same continuity. Now reverse the leads, meter neg. lead in the Regulator + output. Check all 3 AC input wires and they should all show open, no continuity. If this is true you just proved half of the diodes in the reg. are good. Now put the negative meter lead in the negative reg. output and check the 3 Stator leads With the positive meter lead all 3 should have continuity. Reverse the meter leads and all 3 should show open.
In the diagram the top is the positive regulator output going to the battery. If your + meter lead is hooked to the top and the negative meter lead to one of the stator leads you are forward biased and current will flow. Switch the leads and you are reverse biased and current is blocked.
Did you check the Voltage output of the Reg while the bike was running? 14.7V
Did you check Stator output and Continuity?
Hope I explained this correctly, if not I'm sure someone will straighten it out
Trending Topics
The Best of Harley-Davidson for Lifelong Riders









