Sportster Models 883, 883 Custom, 1200 Custom, 883L, 1200L, 1200S, 1200 Roadster, XR1200, and the Nightster.
Sponsored by:
Sponsored by:

Mech problem

Thread Tools
 
Search this Thread
 
Old Jan 31, 2019 | 02:04 PM
  #1  
Cameron Jones's Avatar
Cameron Jones
Thread Starter
|
Novice
Joined: Jan 2019
Posts: 19
Likes: 1
From: Waynesboro ga
Default Mech problem

Hey guys I got a 2009 thunder mountain spitfire with all Harley Davidson sportster 1200 guts. Bike is popping a p0373 (crank position sensor) code just replaced it and cleared the code, when I tried stating her up she'll turn over catch for 1 to 2 seconds then die. And pop the p0373 code again. (Brand new CPS from hd) any clue what I can do to get the ol girl back up and running?
 
Reply
Old Jan 31, 2019 | 05:23 PM
  #2  
whylee's Avatar
whylee
Road Warrior
15 Year Member
Photogenic
Photoriffic
Top Answer: 1
Joined: Feb 2007
Posts: 1,625
Likes: 349
From: The Biggest Little City, Reno, NV
Default

Run the wires from the switch and make sure there is no damaged wires. Also check the voltage running to it.
 
Reply
Old Jan 31, 2019 | 05:27 PM
  #3  
Cameron Jones's Avatar
Cameron Jones
Thread Starter
|
Novice
Joined: Jan 2019
Posts: 19
Likes: 1
From: Waynesboro ga
Default

Originally Posted by whylee
Run the wires from the switch and make sure there is no damaged wires. Also check the voltage running to it.

which switch?
 
Reply
Old Jan 31, 2019 | 06:07 PM
  #4  
shanneba's Avatar
shanneba
Road Warrior
Joined: Jul 2013
Posts: 1,649
Likes: 443
From: Indianapolis
Default

Being a 2009 Sportster check the fuse box for corrosion (pull the fuses and relays and check closely)
The first few year EFI Sportsters seem to have fuse panel corrosion issues.

The CKP sensor only connects to the ECU.
P0373 CKP sensor intermittent
Check the wiring and two connectors the one to the CKP and the connector on the ECU for pushed out pins.

Make sure your battery connections are tight and corrosion free on both ends of both positive and negative.
Check the ground to the primary/engine for corrosion.

Intermittent TMAP wiring or sensor issues may cause P0373/P0374 codes to set prior to setting TMAP codes.
Check the wiring to your TMAP sensor.
 

Last edited by shanneba; Jan 31, 2019 at 06:11 PM.
Reply
Old Jan 31, 2019 | 08:22 PM
  #5  
Cameron Jones's Avatar
Cameron Jones
Thread Starter
|
Novice
Joined: Jan 2019
Posts: 19
Likes: 1
From: Waynesboro ga
Default

Originally Posted by shanneba
Being a 2009 Sportster check the fuse box for corrosion (pull the fuses and relays and check closely)
The first few year EFI Sportsters seem to have fuse panel corrosion issues.

The CKP sensor only connects to the ECU.
P0373 CKP sensor intermittent
Check the wiring and two connectors the one to the CKP and the connector on the ECU for pushed out pins.

Make sure your battery connections are tight and corrosion free on both ends of both positive and negative.
Check the ground to the primary/engine for corrosion.

Intermittent TMAP wiring or sensor issues may cause P0373/P0374 codes to set prior to setting TMAP codes.
Check the wiring to your TMAP sensor.

where is the TMAP Sensor located?
 
Reply
Old Jan 31, 2019 | 10:56 PM
  #6  
whylee's Avatar
whylee
Road Warrior
15 Year Member
Photogenic
Photoriffic
Top Answer: 1
Joined: Feb 2007
Posts: 1,625
Likes: 349
From: The Biggest Little City, Reno, NV
Default

Originally Posted by Cameron Jones
which switch?
Sorry, I meant the sensor.
 
Reply
Old Feb 1, 2019 | 05:14 AM
  #7  
shanneba's Avatar
shanneba
Road Warrior
Joined: Jul 2013
Posts: 1,649
Likes: 443
From: Indianapolis
Default

Originally Posted by Cameron Jones
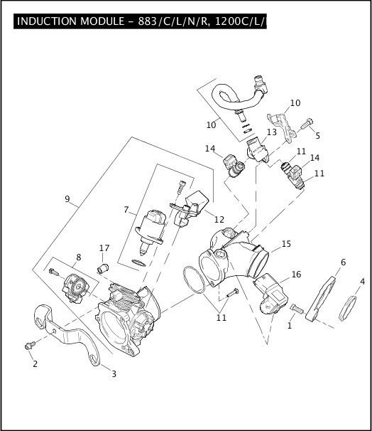
where is the TMAP Sensor located?
Just behind the throttle body on the top of the intake manifold.
Number 16 in this drawing.

 
Reply
Old Feb 1, 2019 | 04:34 PM
  #8  
Cameron Jones's Avatar
Cameron Jones
Thread Starter
|
Novice
Joined: Jan 2019
Posts: 19
Likes: 1
From: Waynesboro ga
Default

Originally Posted by shanneba
Just behind the throttle body on the top of the intake manifold.
Number 16 in this drawing.


ok so that sensor will freely spin around in a circle where its suppose to be. And update, I kept the tank on and had fuel on took the air filter off and sprayed a little either/starter fluid in the intake continued giving it a quick squirt and itd run like a champ when I stopped it`d die now I'm thinking it's a fuel delivery problem. Bike was sitting for about 3-4 years prior to me owning it. Could I be on to something with the fuel delivery thing?
 

Last edited by Cameron Jones; Feb 1, 2019 at 04:37 PM.
Reply
HD Forum Stories

The Best of Harley-Davidson for Lifelong Riders

story-0

7 Surprising Harley-Davidson Products that Are Not Motorcycles

 Verdad Gallardo
story-1

8 Best Harley-Davidson Motorcycles Ever

 Pouria Savadkouei
story-2

10 Worst Harley-Davidson Motorcycles Ever

 Pouria Savadkouei
story-3

Killer Custom's Jail Break Is The Breakout That Refused to Blend In

 Verdad Gallardo
story-4

Crazy Bunderbike Build Looks Amazing, But Is It Impossible to Ride?

 Verdad Gallardo
story-5

Harley-Davidson Reveals Super Cool Cafe Racer Concept

 Verdad Gallardo
story-6

Engraved Rebellion: Inside Bundnerbike's Glam Rock II

 Verdad Gallardo
story-7

10 Motorcycles You Should Never Buy

 Joe Kucinski
story-8

10 Things Harley-Davidson Needs to Fix in 2026

 Verdad Gallardo
story-9

Southpaw Super Glide: A Left-Hand-Drive 1979 Harley FXE Built to Fit the Rider

 Verdad Gallardo
Old Feb 1, 2019 | 05:04 PM
  #9  
whylee's Avatar
whylee
Road Warrior
15 Year Member
Photogenic
Photoriffic
Top Answer: 1
Joined: Feb 2007
Posts: 1,625
Likes: 349
From: The Biggest Little City, Reno, NV
Default

If it sat that long, then I would drain the fuel, pull the pump out and give it a good spray down with carb cleaner. Clean out the tank and replace the filter.
The injectors could be gummed up so add a good injector cleaner to your fuel and see what happens.
 
Reply
Old Feb 1, 2019 | 05:31 PM
  #10  
Cameron Jones's Avatar
Cameron Jones
Thread Starter
|
Novice
Joined: Jan 2019
Posts: 19
Likes: 1
From: Waynesboro ga
Default

Originally Posted by whylee
If it sat that long, then I would drain the fuel, pull the pump out and give it a good spray down with carb cleaner. Clean out the tank and replace the filter.
The injectors could be gummed up so add a good injector cleaner to your fuel and see what happens.

wb the fuel lines any way to clean those out? Or should those be good?
 
Reply



All times are GMT -5. The time now is 03:14 PM.

story-0
7 Surprising Harley-Davidson Products that Are Not Motorcycles

Slideshow: The bar-and-shield logo shows up on far more than motorcycles, some of the company's most unexpected products have nothing to do with riding.

By Verdad Gallardo | 2026-04-29 16:50:35


VIEW MORE
story-1
8 Best Harley-Davidson Motorcycles Ever

Slideshow: Not every Harley gets it right, but these are the ones that genuinely earned their reputation.

By Pouria Savadkouei | 2026-04-15 14:23:21


VIEW MORE
story-2
10 Worst Harley-Davidson Motorcycles Ever

Slideshow: From the troubled AMF years to modern misfires, these bikes earned reputations for reliability issues, questionable engineering, or disappointing performance.

By Pouria Savadkouei | 2026-04-01 20:01:09


VIEW MORE
story-3
Killer Custom's Jail Break Is The Breakout That Refused to Blend In

Slideshow: Killer Custom's "Jail Breaker" build focuses more on stance and visual aggression than mechanical overhaul.

By Verdad Gallardo | 2026-03-18 19:20:32


VIEW MORE
story-4
Crazy Bunderbike Build Looks Amazing, But Is It Impossible to Ride?

Slideshow: The Swiss custom shop has taken a Harley Softail and stretched it into something so long and low that it looks closer to a rolling sculpture than a conventional motorcycle.

By Verdad Gallardo | 2026-03-07 16:15:30


VIEW MORE
story-5
Harley-Davidson Reveals Super Cool Cafe Racer Concept

Slideshow: Harley-Davidson's new RMCR concept revives the café racer formula with modern hardware-and it may be exactly the reset the company needs.

By Verdad Gallardo | 2026-03-04 12:23:37


VIEW MORE
story-6
Engraved Rebellion: Inside Bundnerbike's Glam Rock II

Slideshow: A standard cruiser becomes an intricate metal canvas in the hands of a Swiss custom house known for pushing Harley-Davidson platforms far beyond their factory brief.

By Verdad Gallardo | 2026-02-24 18:19:44


VIEW MORE
story-7
10 Motorcycles You Should Never Buy

Slideshow: There is no shortage of great motorcycles to buy, but we would avoid these ten.

By Joe Kucinski | 2026-02-19 14:50:51


VIEW MORE
story-8
10 Things Harley-Davidson Needs to Fix in 2026

Slideshow: Harley-Davidson's challenges aren't abstract; they show up in dropping shipments, shrinking dealer traffic, and strategic decisions that aren't yet translating into growth.

By Verdad Gallardo | 2026-01-13 18:33:17


VIEW MORE
story-9
Southpaw Super Glide: A Left-Hand-Drive 1979 Harley FXE Built to Fit the Rider

Slideshow: Graeme Billington's left-hand-drive Shovelhead is as much about problem-solving as it is about classic Harley form.

By Verdad Gallardo | 2025-12-30 11:27:08


VIEW MORE