Audio Systems Find answers to all of your stereo, speaker and other audio technology questions here.
Sponsored by:
Sponsored by:

Infinity Speakers

Thread Tools
 
Search this Thread
 
Old Feb 6, 2023 | 06:33 PM
  #21  
peteperrone's Avatar
peteperrone
Thread Starter
|
Tourer
10 Year Member
Photogenic
Photoriffic
Shutterbug
Joined: Mar 2013
Posts: 430
Likes: 48
From: Lake Panasoffkee, FL
Default

Originally Posted by hamah
It sounds like you have the bi-amped stage 2 with 2 amps (separate amp in the bag for the lids). What year is your bike and Boom! setup?
2018. One speaker in just need to figure out which + or - for woofer and tweeter
 
Reply
Old Feb 6, 2023 | 11:46 PM
  #22  
hamah's Avatar
hamah
Road Warrior
5 Year Member
Liked
Loved
Community Favorite
Joined: Feb 2016
Posts: 1,354
Likes: 399
From: Vancouver, BC
Default

Originally Posted by peteperrone
2018. One speaker in just need to figure out which + or - for woofer and tweeter
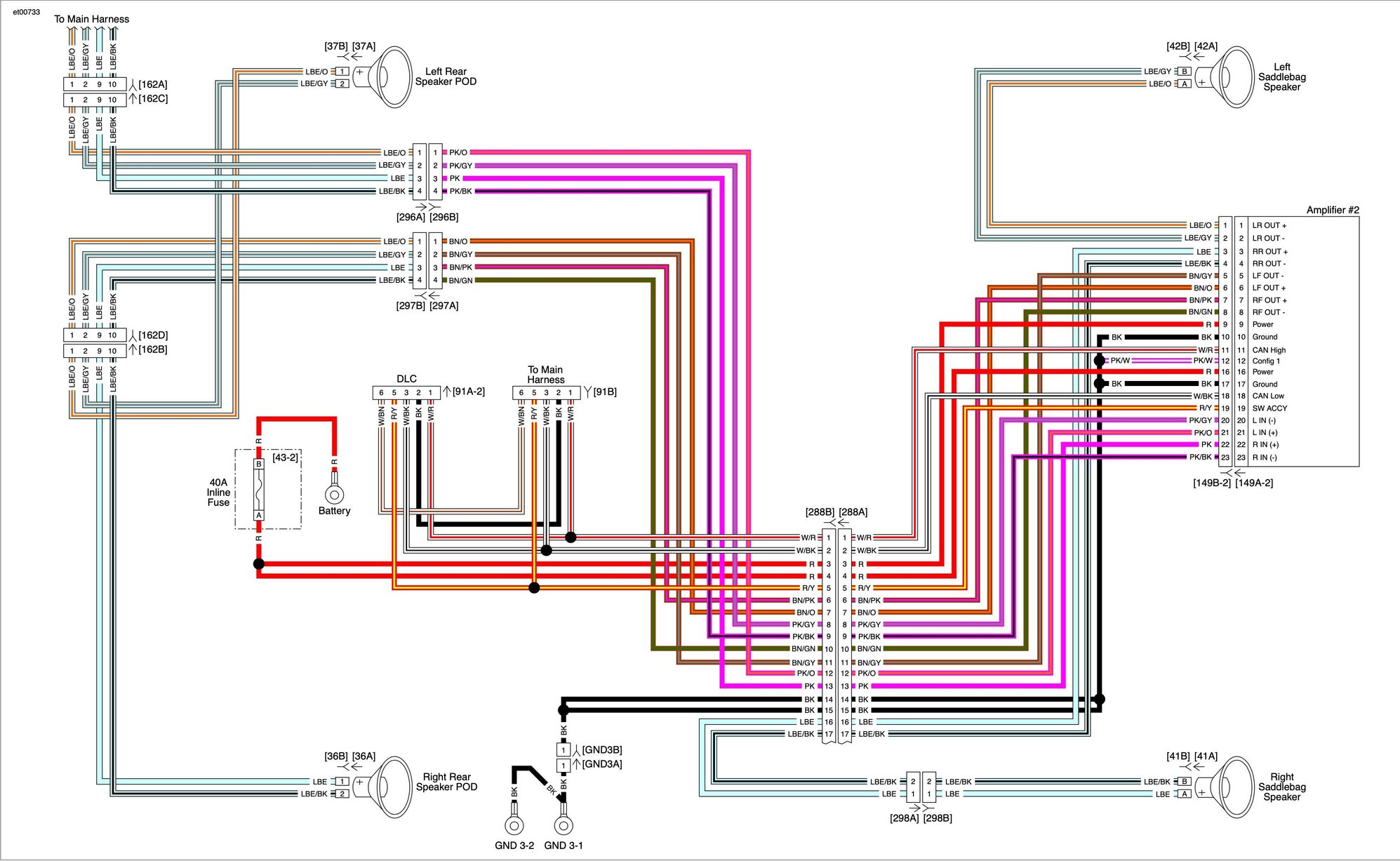
I believe both of our bikes used the same Boom! upgrades from HK vs the last few years from RF. Anyway, let's assume that the wiring harness had not changed significantly from 2014 on (Harley has a tendency to reuse parts year after year when possible) so the wiring should be the same. Unfortunately my 2015 service manual doesn't show Boom! Stage II setups but should still be of help.

Below is the wiring diagram from my manual that shows amp 2 which is mounted under the TP on a FLHTK and in the saddlebag on a FLHTX. You can see the pinouts on the amp and wiring colors on the harness for left and right/front and rear. If you follow them out you can see they are used for lids and pods (the front speakers would be run off an amp in the fairing). I think you will find that they used Left Front and Rear to bi-amp the left bag tweeter/mid and woofer and the same for the right side. If so it should be a fairly easy to verify positive and negative by checking continuity from the amp connector on the wiring harness to the wire ends that plug into the speakers.

You might also try the original installation instructions for the amp and speaker installation kit. They will often show details of any additional wiring harness used for the upgrade, These can usually be found on the Harley P&A site under "Details" if the product is still available. Here are the relevant ones:

Boom! Audio Stage II Amp
Boom! Audio Stage II Saddlebag Speaker Kit (installation instructions are here)
Boom! Audio Stage II Saddlebag Speaker Installation Kit (installation instructions are here)

Good luck.



2015 Touring Pinout for Amp 2
 

Last edited by hamah; Feb 6, 2023 at 11:47 PM.
Reply
Old Feb 7, 2023 | 12:32 AM
  #23  
Jimbo569's Avatar
Jimbo569
Intermediate
Joined: Aug 2021
Posts: 31
Likes: 3
From: CA
Default

So glad to hear that you like the new Precision Power speakers. I’m installing the 6.5’s in my faring and tour pack this week. I even bought and am installing the Soundstream HDHU14si head unit as well as the Precision Power MMA4.400 amp. Can’t wait to finish up my install tomorrow.
 
Reply
Old Feb 7, 2023 | 06:22 AM
  #24  
peteperrone's Avatar
peteperrone
Thread Starter
|
Tourer
10 Year Member
Photogenic
Photoriffic
Shutterbug
Joined: Mar 2013
Posts: 430
Likes: 48
From: Lake Panasoffkee, FL
Default

Originally Posted by hamah
I believe both of our bikes used the same Boom! upgrades from HK vs the last few years from RF. Anyway, let's assume that the wiring harness had not changed significantly from 2014 on (Harley has a tendency to reuse parts year after year when possible) so the wiring should be the same. Unfortunately my 2015 service manual doesn't show Boom! Stage II setups but should still be of help.

Below is the wiring diagram from my manual that shows amp 2 which is mounted under the TP on a FLHTK and in the saddlebag on a FLHTX. You can see the pinouts on the amp and wiring colors on the harness for left and right/front and rear. If you follow them out you can see they are used for lids and pods (the front speakers would be run off an amp in the fairing). I think you will find that they used Left Front and Rear to bi-amp the left bag tweeter/mid and woofer and the same for the right side. If so it should be a fairly easy to verify positive and negative by checking continuity from the amp connector on the wiring harness to the wire ends that plug into the speakers.

You might also try the original installation instructions for the amp and speaker installation kit. They will often show details of any additional wiring harness used for the upgrade, These can usually be found on the Harley P&A site under "Details" if the product is still available. Here are the relevant ones:

Boom! Audio Stage II Amp
Boom! Audio Stage II Saddlebag Speaker Kit (installation instructions are here)
Boom! Audio Stage II Saddlebag Speaker Installation Kit (installation instructions are here)

Good luck.



2015 Touring Pinout for Amp 2
Thank you, that is so close! H-D makes it hard to figure out. I can identify the colors but still can’t see where it says which is +/-!
 
Reply
Old Feb 7, 2023 | 07:17 AM
  #25  
hamah's Avatar
hamah
Road Warrior
5 Year Member
Liked
Loved
Community Favorite
Joined: Feb 2016
Posts: 1,354
Likes: 399
From: Vancouver, BC
Default

Originally Posted by peteperrone;[url=tel:21060173
21060173]Thank you, that is so close! H-D makes it hard to figure out. I can identify the colors but still can’t see where it says which is +/-!
Look on the right side of the drawing. The box there is shown as amp 2. The connector pin numbering is shown with labels. (I.e pins 1&2 on connector 149B-2 are LR Out + & -). If the wire colour doesn’t match end to end (maybe there was a harness added as part of the installation kit) you might need to do a continuity test to match up the ends from the speaker end of the harness to the amp end.
 

Last edited by hamah; Feb 7, 2023 at 07:18 AM.
Reply
Old Feb 7, 2023 | 07:55 AM
  #26  
hamah's Avatar
hamah
Road Warrior
5 Year Member
Liked
Loved
Community Favorite
Joined: Feb 2016
Posts: 1,354
Likes: 399
From: Vancouver, BC
Default

A couple of other things you might do to identify the + & - leads:

-check the polarity of the speaker wires
(watch from about 1:15)

-Studio Six Digital has a tool called Speaker Polarity that tests for proper phase and runs on an iPhone.

Lastly, you could just wire it up and listen to how it sounds. If you don’t like it, swap the positive and negative wires and see if it improves the sound at all. Reverse polarity results in a speaker being out of phase and while it may not sound as good, won’t damage anything.
 

Last edited by hamah; Feb 7, 2023 at 08:05 AM.
Reply
Old Feb 10, 2023 | 01:28 PM
  #27  
peteperrone's Avatar
peteperrone
Thread Starter
|
Tourer
10 Year Member
Photogenic
Photoriffic
Shutterbug
Joined: Mar 2013
Posts: 430
Likes: 48
From: Lake Panasoffkee, FL
Default

Originally Posted by hamah
A couple of other things you might do to identify the + & - leads:

-check the polarity of the speaker wires using a battery (watch from about 1:15)

-Studio Six Digital has a tool called Speaker Polarity that tests for proper phase and runs on an iPhone.

Lastly, you could just wire it up and listen to how it sounds. If you don’t like it, swap the positive and negative wires and see if it improves the sound at all. Reverse polarity results in a speaker being out of phase and while it may not sound as good, won’t damage anything.
Thanks, I was going to try using that system to help, but I was able to look at the very small hidden markings on the H-D speakers and match it up.
So, they are hooked up and standing still they already make a difference. Have not ridden yet, will do that this weekend. I will post another review after that.
 
Reply
Old Feb 21, 2023 | 06:26 PM
  #28  
peteperrone's Avatar
peteperrone
Thread Starter
|
Tourer
10 Year Member
Photogenic
Photoriffic
Shutterbug
Joined: Mar 2013
Posts: 430
Likes: 48
From: Lake Panasoffkee, FL
Default

UPDATE! Figured out the +/- Installed using a twin audio adapters. Ben on several rides and WOW what a difference already! On
y the lids upgraded, amp may be the next upgrade before front speakers, of course will have to flash the radio. Eventual plan is to have all Infinity speakers and Soundstream head unit.
For now, very happy‼️
 
Reply
HD Forum Stories

The Best of Harley-Davidson for Lifelong Riders

story-0

7 Times Harley-Davidson Chucked Tradition Out the Window

 Verdad Gallardo
story-1

7 Surprising Harley-Davidson Products that Are Not Motorcycles

 Verdad Gallardo
story-2

8 Best Harley-Davidson Motorcycles Ever

 Pouria Savadkouei
story-3

10 Worst Harley-Davidson Motorcycles Ever

 Pouria Savadkouei
story-4

Killer Custom's Jail Break Is The Breakout That Refused to Blend In

 Verdad Gallardo
story-5

Crazy Bunderbike Build Looks Amazing, But Is It Impossible to Ride?

 Verdad Gallardo
story-6

Harley-Davidson Reveals Super Cool Cafe Racer Concept

 Verdad Gallardo
story-7

Engraved Rebellion: Inside Bundnerbike's Glam Rock II

 Verdad Gallardo
story-8

10 Motorcycles You Should Never Buy

 Joe Kucinski
story-9

10 Things Harley-Davidson Needs to Fix in 2026

 Verdad Gallardo
Old May 15, 2023 | 08:45 PM
  #29  
Bullydad's Avatar
Bullydad
Novice
Joined: Feb 2022
Posts: 20
Likes: 2
From: Connecticut
Default

Originally Posted by peteperrone
UPDATE! Figured out the +/- Installed using a twin audio adapters. Ben on several rides and WOW what a difference already! On
y the lids upgraded, amp may be the next upgrade before front speakers, of course will have to flash the radio. Eventual plan is to have all Infinity speakers and Soundstream head unit.
For now, very happy‼️
I was wondering if you're still liking the speakers with the boom amp? I'm thinking about getting the same ones just so I can save a few bucks.
 
Reply
Old May 24, 2023 | 11:04 PM
  #30  
GatorCVO's Avatar
GatorCVO
Intermediate
Joined: Oct 2018
Posts: 34
Likes: 13
From: Northern California
Default

I just replaced the fairing and the lids speakers with the Infinity Kappa Speakers in my 2019 CVO RG. Huge improvement over stock. Louder, clearer vocals and more bass. I did the install myself with American Hard bags kit. I would definitely recommend!


 
Reply



All times are GMT -5. The time now is 10:13 PM.

story-0
7 Times Harley-Davidson Chucked Tradition Out the Window

Slideshow: Harley-Davidson built its reputation on nostalgia, but every so often, the company took a hard left turn into the future.

By Verdad Gallardo | 2026-05-20 11:18:19


VIEW MORE
story-1
7 Surprising Harley-Davidson Products that Are Not Motorcycles

Slideshow: The bar-and-shield logo shows up on far more than motorcycles, some of the company's most unexpected products have nothing to do with riding.

By Verdad Gallardo | 2026-04-29 16:50:35


VIEW MORE
story-2
8 Best Harley-Davidson Motorcycles Ever

Slideshow: Not every Harley gets it right, but these are the ones that genuinely earned their reputation.

By Pouria Savadkouei | 2026-04-15 14:23:21


VIEW MORE
story-3
10 Worst Harley-Davidson Motorcycles Ever

Slideshow: From the troubled AMF years to modern misfires, these bikes earned reputations for reliability issues, questionable engineering, or disappointing performance.

By Pouria Savadkouei | 2026-04-01 20:01:09


VIEW MORE
story-4
Killer Custom's Jail Break Is The Breakout That Refused to Blend In

Slideshow: Killer Custom's "Jail Breaker" build focuses more on stance and visual aggression than mechanical overhaul.

By Verdad Gallardo | 2026-03-18 19:20:32


VIEW MORE
story-5
Crazy Bunderbike Build Looks Amazing, But Is It Impossible to Ride?

Slideshow: The Swiss custom shop has taken a Harley Softail and stretched it into something so long and low that it looks closer to a rolling sculpture than a conventional motorcycle.

By Verdad Gallardo | 2026-03-07 16:15:30


VIEW MORE
story-6
Harley-Davidson Reveals Super Cool Cafe Racer Concept

Slideshow: Harley-Davidson's new RMCR concept revives the café racer formula with modern hardware-and it may be exactly the reset the company needs.

By Verdad Gallardo | 2026-03-04 12:23:37


VIEW MORE
story-7
Engraved Rebellion: Inside Bundnerbike's Glam Rock II

Slideshow: A standard cruiser becomes an intricate metal canvas in the hands of a Swiss custom house known for pushing Harley-Davidson platforms far beyond their factory brief.

By Verdad Gallardo | 2026-02-24 18:19:44


VIEW MORE
story-8
10 Motorcycles You Should Never Buy

Slideshow: There is no shortage of great motorcycles to buy, but we would avoid these ten.

By Joe Kucinski | 2026-02-19 14:50:51


VIEW MORE
story-9
10 Things Harley-Davidson Needs to Fix in 2026

Slideshow: Harley-Davidson's challenges aren't abstract; they show up in dropping shipments, shrinking dealer traffic, and strategic decisions that aren't yet translating into growth.

By Verdad Gallardo | 2026-01-13 18:33:17


VIEW MORE