Bike from hell !!!
Yeah but the OP should be able at the most to figure out how to wire his bike from that diagram with any color wire he wants. The wire color doesnt have to match the digaram it screws the next guy but it gets the bike running. Id use correct guage wire though.
Bite the bullet and get a brand new reliable harness. For only 160 dollars you get everything new you will need and an instruction manual with labeled wiring. You will also get manufacturer support. Do it the cheap way and you will be chasing gremlins for life...either way you do it, remember that the integrity of the wiring connections you make will determine the reliability in the future. If you don't know what you are doing, get some help. Good luck! 
Complete Ultima Plus Electronic Wire Wiring System Harness Kit Harley Evo Custom | eBay
Complete Ultima Plus Electronic Wire Wiring System Harness Kit Harley Evo Custom | eBay
Last edited by SirHarley; Apr 19, 2022 at 10:12 AM.
Had 2 years of electronics and 2 years of machine shop while in High School back in the day and that served me well over my working career. College would have been good but I was better as a trades person and working with my hands.
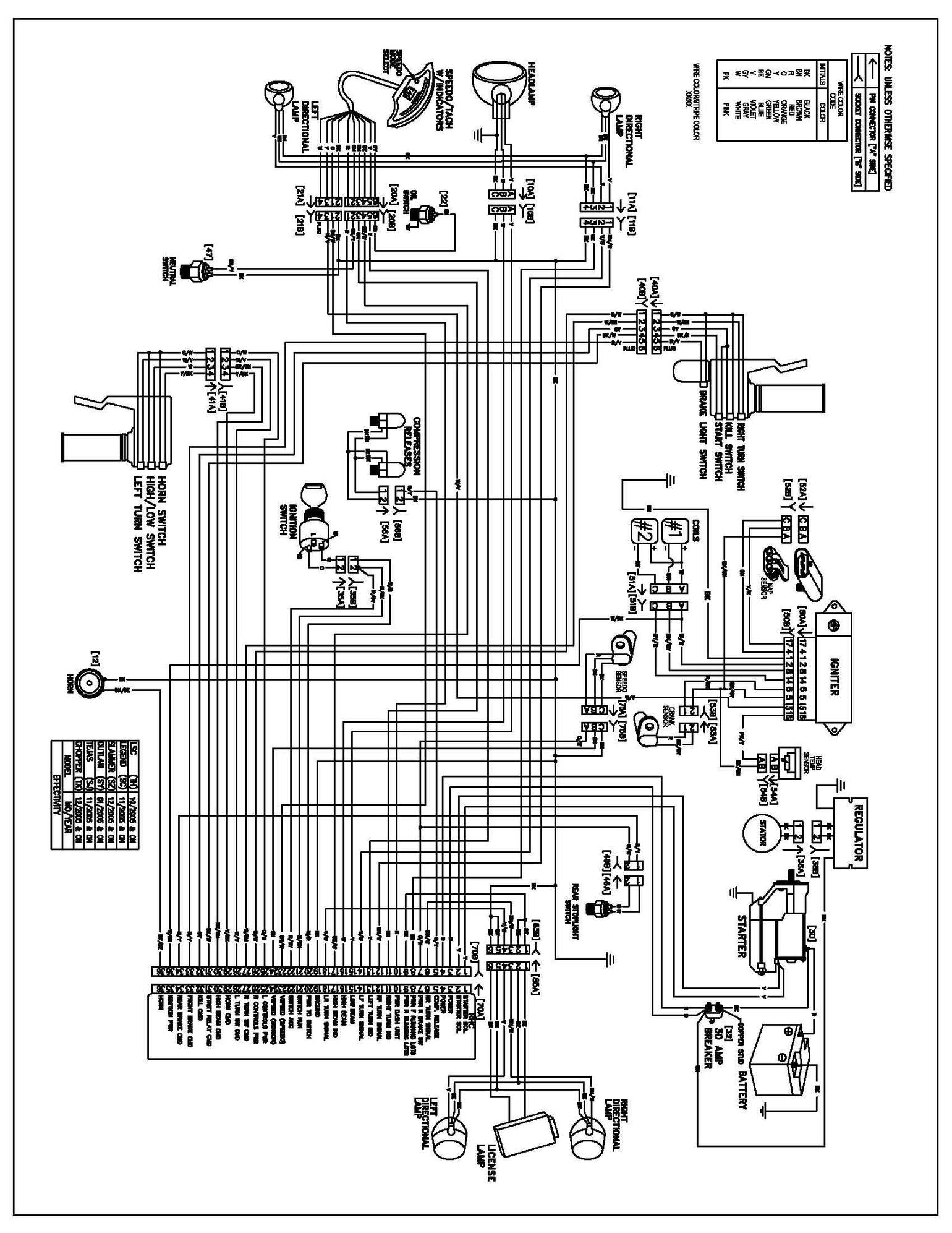
Yeah would have been nice if it was in color though. Having worked Special Weapons as an Army Civilian, I learned the value of a good VOM and quality probes. I became the guy on our crew to troubleshoot electrical problems and got out of most of the dirty work while doing electrical stuff.
Had 2 years of electronics and 2 years of machine shop while in High School back in the day and that served me well over my working career. College would have been good but I was better as a trades person and working with my hands.
Had 2 years of electronics and 2 years of machine shop while in High School back in the day and that served me well over my working career. College would have been good but I was better as a trades person and working with my hands.
Thread
Thread Starter
Forum
Replies
Last Post











