Speedometer/Breakers
Hi all;
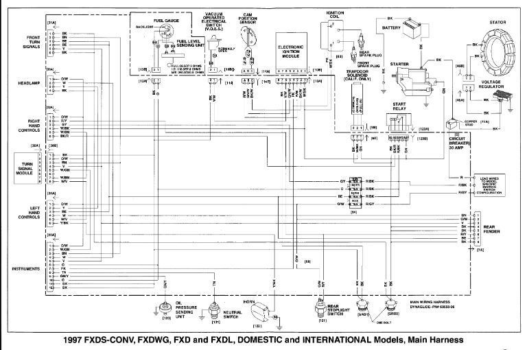
New on the forum. I have a 1997 FXDL and am trying to run down an electrical issue. I had to replace the voltage regulator a few weeks ago and everything was fine, but the other day, my speedo just up and quit. No odometer or speed. Only the backing lights. Tach still works. I was trying to hunt down a fuse box but found that these only have four breakers (?). I'm trying not to assume the speedo is out but it is a possibility. Also, the turn signal cancellation doesn't seem to work either. These issues popped up several weeks after the voltage regulator exchange. I tested the voltage regulator and all is fine. I've cleaned all the contacts I could find with el. cleaner
1) Does anyone know what the for breakers are for? The Chilton doesn't say and I can't find an answer on the schematics.
2) Other than a broke speedo, any suggestions as to a fix?
Thanks!!
Mark
New on the forum. I have a 1997 FXDL and am trying to run down an electrical issue. I had to replace the voltage regulator a few weeks ago and everything was fine, but the other day, my speedo just up and quit. No odometer or speed. Only the backing lights. Tach still works. I was trying to hunt down a fuse box but found that these only have four breakers (?). I'm trying not to assume the speedo is out but it is a possibility. Also, the turn signal cancellation doesn't seem to work either. These issues popped up several weeks after the voltage regulator exchange. I tested the voltage regulator and all is fine. I've cleaned all the contacts I could find with el. cleaner
1) Does anyone know what the for breakers are for? The Chilton doesn't say and I can't find an answer on the schematics.
2) Other than a broke speedo, any suggestions as to a fix?
Thanks!!
Mark
Also, the turn signal cancellation doesn't seem to work either.
It's not gonna work without the speedo working.
A 97 may or may not have an electronic speedo. While many did are you sure yours does?
WP
It's not gonna work without the speedo working.
A 97 may or may not have an electronic speedo. While many did are you sure yours does?
WP
Check your grounds and check the connections you worked with when changing the voltage regulator. That voltage regulator grounds to the frame via one of the regulator mounting bolts, and you need a good clean ground. However, some aftermarket regulators have a separate ground wire so check all of that.
Also, your stator plug in the block has a reputation/habit of getting soft with time and losing connection to the regulator plug. So double check that if not to just eliminate one more thing.
Without digging into a wiring diagram, the ignition switch in some models has a flakey reputation, however, I would look at replacing the breakers along with looking for a disconnected or loose wire. The breakers are old...However a dead short would cause the breakers to trip, reset, trip reset...
Edit: yu can find wiring diagram for your year/model here: https://serviceinfo.harley-davidson.com/sip/index
Also, your stator plug in the block has a reputation/habit of getting soft with time and losing connection to the regulator plug. So double check that if not to just eliminate one more thing.
Without digging into a wiring diagram, the ignition switch in some models has a flakey reputation, however, I would look at replacing the breakers along with looking for a disconnected or loose wire. The breakers are old...However a dead short would cause the breakers to trip, reset, trip reset...
Edit: yu can find wiring diagram for your year/model here: https://serviceinfo.harley-davidson.com/sip/index
Last edited by Yankee Dog; Feb 19, 2023 at 03:54 PM.
HI and thanks for your reply. All great suggestions. I'm looking for some breakers just to be on the safe side. I've been searching loose wires but have not been able to find any yet. As for the stator plug, when I replaced the voltage regulator, it seems very dirty. I cleaned it out with some electronic spray etc... You would'nt happen to know if that stator plug is replaceable without having to replace the stator? It tests good. Thnx!
m
m
HI and thanks for your reply. All great suggestions. I'm looking for some breakers just to be on the safe side. I've been searching loose wires but have not been able to find any yet. As for the stator plug, when I replaced the voltage regulator, it seems very dirty. I cleaned it out with some electronic spray etc... You would'nt happen to know if that stator plug is replaceable without having to replace the stator? It tests good. Thnx!
m
m
It's not the greatest design. It is a connection point and the rubber has two jobs. It seals out the primary oil and it is an electrical connection point. That rubber gets soft over time and with oil exposure. It leaks oil and you eventually lose connection. Check both the male and female metal terminals inside that plug for any signs of arcing or corrosion of the metal and any signs of the rubber burning. The problem is when you plug things together, the rubber is so soft you actually push the terminals deeper into the rubber, making less than normal contact. and higher resistance. The higher resistance creates heat which burns the metal and the rubber.
You can eliminate the connection point entirely by running wires directly from the stator to the voltage regulator and filling the hole where the rubber plug used to be with silicone. There are many posts about how to do this but it does require you pull the primary cover, primary chain, compensator, and rotor to make it all happen.
I would check the easier items first and go on from there. It's probably something simple but hard to find.
Trending Topics
Ok. I've checked power to the speedo from the wiring harness and all is well as far as I know. I also followed the green/white wire from the speedo connection to the signal cancellation in the back which leads to the cancellation unit. If the cancellation unit is bad would that create problems for the speedo? Thanks.
You have an electronic speedometer. You also have a speed sensor at the transmission. Sometimes those speed sensors get a build up of metal from the trans gears and need cleaning or replacement.
You need to look closely at the wiring diagram and follow everyone of those wires in that entire circuit looking for bad connections or broken wires. Also inspect the grounds in that circuit.
I have an analog speedo (and am glad I do), so can't help much more than tracing wires, looking for bad connections, broken wires, bad grounds or bad breakers.
After eliminating everything else, then I might consider the "gauge is bad". I have no idea how to test the gauge, have not heard many problems with them other than a bad display (but it still worked just the odometer numbers were all funky). It is possible there is an electronic malfunction inside the gauge, but I have never seen a schematic of an electronic speedo so again can't help with that.
You need to look closely at the wiring diagram and follow everyone of those wires in that entire circuit looking for bad connections or broken wires. Also inspect the grounds in that circuit.
I have an analog speedo (and am glad I do), so can't help much more than tracing wires, looking for bad connections, broken wires, bad grounds or bad breakers.
After eliminating everything else, then I might consider the "gauge is bad". I have no idea how to test the gauge, have not heard many problems with them other than a bad display (but it still worked just the odometer numbers were all funky). It is possible there is an electronic malfunction inside the gauge, but I have never seen a schematic of an electronic speedo so again can't help with that.
IS your speedo grounded. I had a problem where my turn signals weren't canceling and it turned out that the ground wire had broken off the speedo. Sometimes people forget that the ground is just as important as the hot.










