








Outside The Box
This may shock you OP, but other people have removed a tour pac and added lights. You aren't breaking new and exciting barriers. As for telling people how to not reply, not f*cking likely.
Check out http://www.taillightking.com/ and choose from a myriad of ideas.
Originally Posted by Tired
I was doing OK until the last paragraph where the less than a month here, 7 posts, OP was instructing people to not reply in certain ways that he didn't like.
This may shock you OP, but other people have removed a tour pac and added lights. You aren't breaking new and exciting barriers. As for telling people how to not reply, not f*cking likely.
__________________
11 FLHX with some stuff done to it.
Greg
I went back to see the type of manure you post, including your first 7 posts. Not at all impressed.
Last edited by Duke4AZ; Feb 3, 2023 at 07:28 PM. Reason: left out quote
Originally Posted by Tired
I was doing OK until the last paragraph where the less than a month here, 7 posts, OP was instructing people to not reply in certain ways that he didn't like.
This may shock you OP, but other people have removed a tour pac and added lights. You aren't breaking new and exciting barriers. As for telling people how to not reply, not f*cking likely.
__________________
11 FLHX with some stuff done to it.
Greg
I went back to see the type of manure you post, including your first 7 posts. Not at all impressed.
Just relax he was not trying to harm you.
Just continue with your mods and pictures. Maybe more pictures and less text.
I have nothing to prove so dont worry about me. Just trying to help.(I cant get the damn smiley face to attach)
The Best of Harley-Davidson for Lifelong Riders
What I ended up doing was:
1. Chose a late 30s to early 40s taillight from a Ford Zephyr (Figure X).
- Operational video (hazard/Lf & Rt turn Sig/Brake/Running/fat man operator)
- '18 rear end of a HARLEY-DAVIDSON FLHTK ANV ('18 Ultra Limited 115th Anniversary) I did not pay extra for the stinking badges.
- Harness outside saddlebag with pass-through
- Harness inside saddlebag with light pigtail connectors
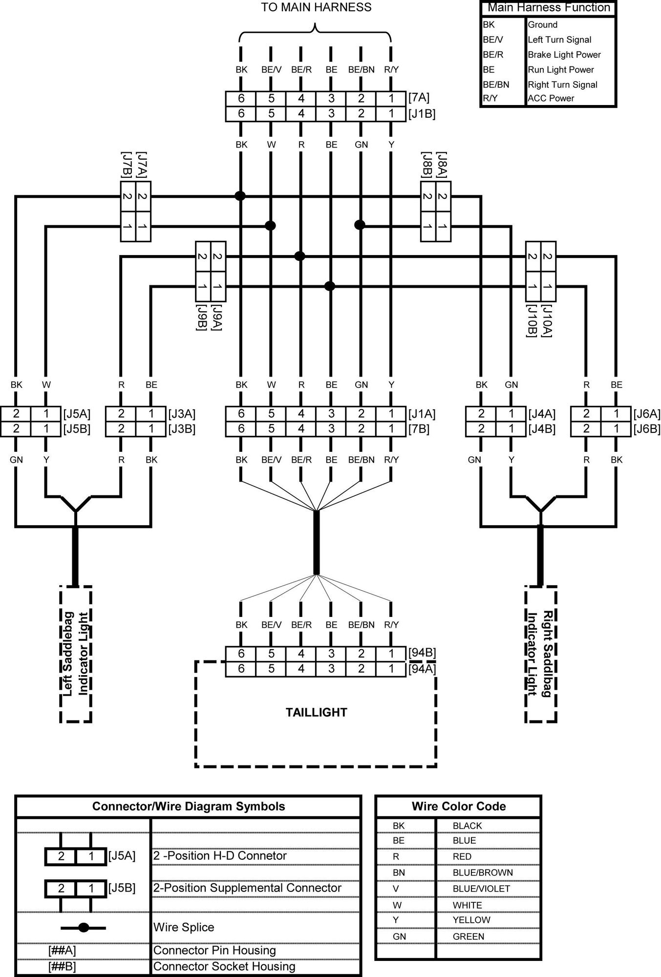
- Wiring diagram to integrate with existing taillight harness.
Right side saddlebag light harness with bike disconnect to allow removal. (Left is same)
Right Side Saddlebag light harness inside saddlebag. Beta version. May run them down along bottom inside corner if they get in the way.
Taillight harness wiring diagram.
What I ended up doing was:
1. Chose a late 30s to early 40s taillight from a Ford Zephyr (Figure X).
- Operational video (hazard/Lf & Rt turn Sig/Brake/Running/fat man operator)
- '18 rear end of a HARLEY-DAVIDSON FLHTK ANV ('18 Ultra Limited 115th Anniversary) I did not pay extra for the stinking badges.
- Harness outside saddlebag with pass-through
- Harness inside saddlebag with light pigtail connectors
- Wiring diagram to integrate with existing taillight harness.
Right side saddlebag light harness with bike disconnect to allow removal. (Left is same)
Right Side Saddlebag light harness inside saddlebag. Beta version. May run them down along bottom inside corner if they get in the way.
Taillight harness wiring diagram.















