Dyna Glide Models Super Glide, Super Glide Sport, Super Glide Custom, Dyna Glide Convertible, Super Glide T-Sport, Dyna Glide Police, Dyna Switchback, Low Rider, Street Bob, Fat Bob and Wide Glide.
Sponsored by:
Sponsored by:

No rear Breaks :(

Thread Tools
 
Search this Thread
 
Old Nov 1, 2016 | 10:16 AM
  #1  
antman27's Avatar
antman27
Thread Starter
|
Road Captain
Joined: Aug 2008
Posts: 622
Likes: 0
From: Long Island , NY
Default No rear Breaks :(

So 70 Deg in late Oct in NY says Lets Ride
I get on bike and first stop ..I relize I have no rear breaks .. Go home and check it out ..leaking fluid out of the back of the break light switch and the switch is melted WTF ....
 
Reply
Old Nov 1, 2016 | 10:50 AM
  #2  
wideglideCVO's Avatar
wideglideCVO
Ultimate HDF Member
Joined: Apr 2016
Posts: 5,627
Likes: 1,382
From: Monroe, North Carolina
Default

Is it an easy replace parts, what caused the melting.
 
Reply
Old Nov 1, 2016 | 10:58 AM
  #3  
antman27's Avatar
antman27
Thread Starter
|
Road Captain
Joined: Aug 2008
Posts: 622
Likes: 0
From: Long Island , NY
Default

Wish i knew !
 
Reply
Old Nov 1, 2016 | 10:59 AM
  #4  
antman27's Avatar
antman27
Thread Starter
|
Road Captain
Joined: Aug 2008
Posts: 622
Likes: 0
From: Long Island , NY
Default

I will also have to add break fluid and bleed them I assume since I have no fluid left
 
Reply
Old Nov 1, 2016 | 11:32 AM
  #5  
wideglideCVO's Avatar
wideglideCVO
Ultimate HDF Member
Joined: Apr 2016
Posts: 5,627
Likes: 1,382
From: Monroe, North Carolina
Default



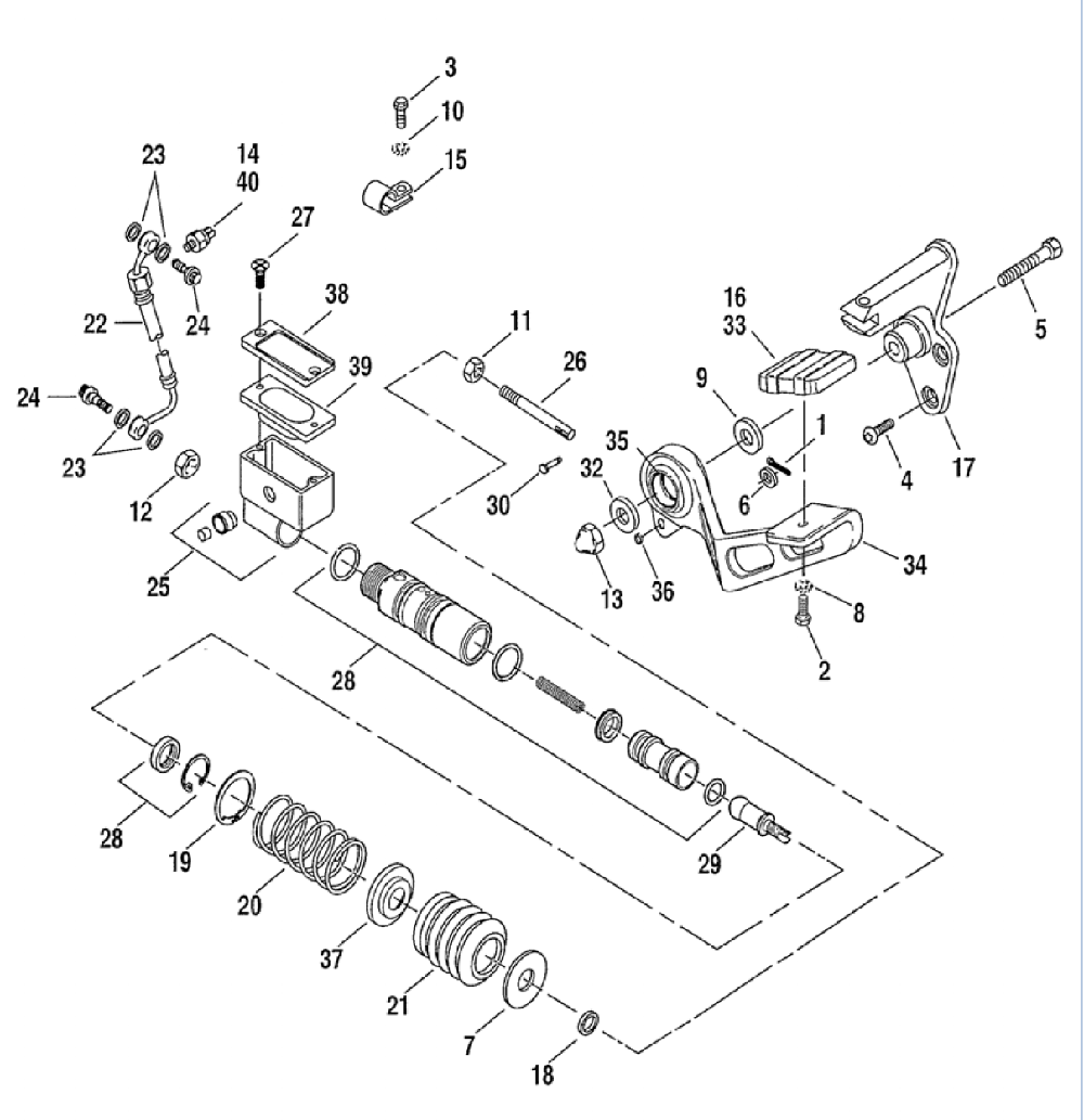
2002 Wide Glide breakdown
 
Reply
Old Nov 1, 2016 | 04:38 PM
  #6  
Just Nick's Avatar
Just Nick
Cruiser
Joined: Aug 2016
Posts: 232
Likes: 59
From: Round Rock TX
Default

Yes you will have to bleed them if the fluid leaked out
 
Reply
Related Topics
Thread
Thread Starter
Forum
Replies
Last Post
SFinley70
Touring Models
7
Jul 5, 2018 10:13 AM
fugno
Sportster Models
7
Apr 28, 2018 01:40 PM
Jan Johansson
Softail Models
22
Jan 24, 2018 04:47 PM
THE rickybobby
General Topics/Tech Tips
4
Nov 10, 2009 07:28 PM
dert
Softail Models
1
Sep 12, 2005 11:06 AM




All times are GMT -5. The time now is 01:52 PM.

story-0
8 Best Harley-Davidson Motorcycles Ever

Slideshow: Not every Harley gets it right, but these are the ones that genuinely earned their reputation.

By Pouria Savadkouei | 2026-04-15 14:23:21


VIEW MORE
story-1
10 Worst Harley-Davidson Motorcycles Ever

Slideshow: From the troubled AMF years to modern misfires, these bikes earned reputations for reliability issues, questionable engineering, or disappointing performance.

By Pouria Savadkouei | 2026-04-01 20:01:09


VIEW MORE
story-2
Killer Custom's Jail Break Is The Breakout That Refused to Blend In

Slideshow: Killer Custom's "Jail Breaker" build focuses more on stance and visual aggression than mechanical overhaul.

By Verdad Gallardo | 2026-03-18 19:20:32


VIEW MORE
story-3
Crazy Bunderbike Build Looks Amazing, But Is It Impossible to Ride?

Slideshow: The Swiss custom shop has taken a Harley Softail and stretched it into something so long and low that it looks closer to a rolling sculpture than a conventional motorcycle.

By Verdad Gallardo | 2026-03-07 16:15:30


VIEW MORE
story-4
Harley-Davidson Reveals Super Cool Cafe Racer Concept

Slideshow: Harley-Davidson's new RMCR concept revives the café racer formula with modern hardware-and it may be exactly the reset the company needs.

By Verdad Gallardo | 2026-03-04 12:23:37


VIEW MORE
story-5
Engraved Rebellion: Inside Bundnerbike's Glam Rock II

Slideshow: A standard cruiser becomes an intricate metal canvas in the hands of a Swiss custom house known for pushing Harley-Davidson platforms far beyond their factory brief.

By Verdad Gallardo | 2026-02-24 18:19:44


VIEW MORE
story-6
10 Motorcycles You Should Never Buy

Slideshow: There is no shortage of great motorcycles to buy, but we would avoid these ten.

By Joe Kucinski | 2026-02-19 14:50:51


VIEW MORE
story-7
10 Things Harley-Davidson Needs to Fix in 2026

Slideshow: Harley-Davidson's challenges aren't abstract; they show up in dropping shipments, shrinking dealer traffic, and strategic decisions that aren't yet translating into growth.

By Verdad Gallardo | 2026-01-13 18:33:17


VIEW MORE
story-8
Southpaw Super Glide: A Left-Hand-Drive 1979 Harley FXE Built to Fit the Rider

Slideshow: Graeme Billington's left-hand-drive Shovelhead is as much about problem-solving as it is about classic Harley form.

By Verdad Gallardo | 2025-12-30 11:27:08


VIEW MORE
story-9
The Best and Worst Harley-Davidson Moves of 2025

Slideshow: A clear-eyed look at what actually worked for Harley this year, and what quietly undermined its progress.

By Verdad Gallardo | 2025-12-29 17:10:48


VIEW MORE