Dyna Glide Models Super Glide, Super Glide Sport, Super Glide Custom, Dyna Glide Convertible, Super Glide T-Sport, Dyna Glide Police, Dyna Switchback, Low Rider, Street Bob, Fat Bob and Wide Glide.
Sponsored by:
Sponsored by:

remote starter button

Thread Tools
 
Search this Thread
 
Old May 9, 2021 | 11:38 AM
  #1  
Honda's Avatar
Honda
Thread Starter
|
Advanced
Joined: Nov 2012
Posts: 52
Likes: 6
From: Iowa
Red face remote starter button

what do you think I have ?...starter/solenoid push remote button? FXR

I have had issues with the starter relay crapping out on my 1990 FXRS-SP.
so I order a remote starter button, that is supposed to fit, it doesn't.
My installed starter is larger than the one listed as correct. Measuring hole to hole across the bottom, the screw hole on the old one has 2 1/2 across the bottom,
the new one sent (eBay) is only 2" across the bottom, screw hole to screw hold.

So I guess the stock starter was replaced?
eBay vendors don't list the actual sizes, they only say it fits the FXR. & Won't answer questions on fitment.

so, what starter button do I need. thanks,
 
Reply
Old May 9, 2021 | 06:15 PM
  #2  
FlamedFXR's Avatar
FlamedFXR
Stellar HDF Member
15 Year Member
Liked
Loved
Community Favorite
Joined: Jul 2009
Posts: 2,825
Likes: 2,140
From: Hope Mills NC, bye CA!!
Default

https://www.hdforums.com/forum/evo-c...ded-click.html
 
Reply
Old May 14, 2021 | 04:58 PM
  #3  
Dan89FLSTC's Avatar
Dan89FLSTC
Seasoned HDF Member
Veteran: Navy
Active Streak: 30 Days
Top Answer: 3
Top Answer: 5
Joined: May 2008
Posts: 21,144
Likes: 12,709
From: South Carolina
Default

Seems you have two threads running on the forum...

A lot of starter relays get replaced, and in my opinion...Most of them are still good.

The biggest issue is the electrical connections get dirty and/or corroded, and the resistance of the connection gets too high.

The electrical connectors on the mid `90s and earlier Harleys are not waterproof, and need some periodic maintenance.

Once a year, unplug the connectors, clean the contacts and battery cable connections (at each end), and you will probably never have an issue, unless the battery is dead...

I replaced a 31 year old starter relay in my `89 Softail last winter, it was still working fine but I replaced it because I was going through the entire wiring harness cleaning up the connection points, and I found a new relay in my parts bin...

The OEM starter relay sold by the dealer is a sealed unit, it is a much better choice than an auto parts store relay designed to be used under the hood of a car.

Sorry I can`t help you with the starter solenoid push button, I have never used one and have never been stranded because my bike wouldn`t start.
 
Reply
Old May 14, 2021 | 05:00 PM
  #4  
Dan89FLSTC's Avatar
Dan89FLSTC
Seasoned HDF Member
Veteran: Navy
Active Streak: 30 Days
Top Answer: 3
Top Answer: 5
Joined: May 2008
Posts: 21,144
Likes: 12,709
From: South Carolina
Default

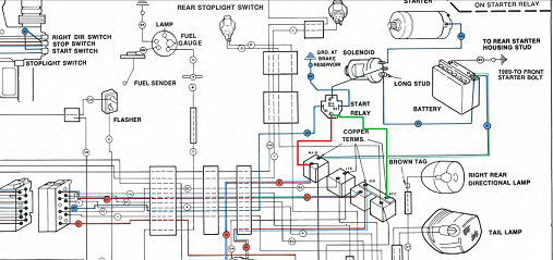
The second relay setup is not necessary on a `90 FXRS, the same thing can be accomplished by running a wire from the silver stud on the main breaker to pin 30 on the starter relay.

The second relay is a great idea for bikes that use the start relay to control the headlights during start, but not many models did this.

Illustration (new wire in red, old wire in green):









 

Last edited by Dan89FLSTC; May 14, 2021 at 05:21 PM.
Reply
Old May 15, 2021 | 11:00 AM
  #5  
FlamedFXR's Avatar
FlamedFXR
Stellar HDF Member
15 Year Member
Liked
Loved
Community Favorite
Joined: Jul 2009
Posts: 2,825
Likes: 2,140
From: Hope Mills NC, bye CA!!
Default

I opened up a relay from my FXR that crapped out. The relay contacts inside were not aligned well and had carbon tracking that I think led to their demise. I see a problem with their construction.
 
Reply
Old May 15, 2021 | 01:08 PM
  #6  
Dan89FLSTC's Avatar
Dan89FLSTC
Seasoned HDF Member
Veteran: Navy
Active Streak: 30 Days
Top Answer: 3
Top Answer: 5
Joined: May 2008
Posts: 21,144
Likes: 12,709
From: South Carolina
Default

Originally Posted by FlamedFXR
I opened up a relay from my FXR that crapped out. The relay contacts inside were not aligned well and had carbon tracking that I think led to their demise. I see a problem with their construction.
I pulled the oem relay off my `89 Softail this past winter, it was still working fine, I don`t have an issue with their construction...

The oem relays are sealed units, and diode protected. They don`t cost any more than a generic part from an auto parts store.
 
Reply
Old Jul 5, 2021 | 12:43 PM
  #7  
Honda's Avatar
Honda
Thread Starter
|
Advanced
Joined: Nov 2012
Posts: 52
Likes: 6
From: Iowa
Default

well... I finally found one. dozens of eBay ads, but no info on the size. They just say they will fit the FXR. Not.

 
Reply
Old Jul 5, 2021 | 07:42 PM
  #8  
REW13's Avatar
REW13
Seasoned HDF Member
5 Year Member
Liked
Loved
Community Favorite
Joined: Nov 2016
Posts: 5,801
Likes: 809
From: South Carolina
Default

Ordered one for myself too just haven't put it on yet, post details about installing it..
My relay went out? Unplugged it and plugged it back in and no issues... But I did also buy 2 extra to keep in my bags incase
 
Reply
HD Forum Stories

The Best of Harley-Davidson for Lifelong Riders

story-0

7 Times Harley-Davidson Chucked Tradition Out the Window

 Verdad Gallardo
story-1

7 Surprising Harley-Davidson Products that Are Not Motorcycles

 Verdad Gallardo
story-2

8 Best Harley-Davidson Motorcycles Ever

 Pouria Savadkouei
story-3

10 Worst Harley-Davidson Motorcycles Ever

 Pouria Savadkouei
story-4

Killer Custom's Jail Break Is The Breakout That Refused to Blend In

 Verdad Gallardo
story-5

Crazy Bunderbike Build Looks Amazing, But Is It Impossible to Ride?

 Verdad Gallardo
story-6

Harley-Davidson Reveals Super Cool Cafe Racer Concept

 Verdad Gallardo
story-7

Engraved Rebellion: Inside Bundnerbike's Glam Rock II

 Verdad Gallardo
story-8

10 Motorcycles You Should Never Buy

 Joe Kucinski
story-9

10 Things Harley-Davidson Needs to Fix in 2026

 Verdad Gallardo
Related Topics
Thread
Thread Starter
Forum
Replies
Last Post
Honda
Primary/Transmission/Driveline/Clutch
2
May 14, 2021 04:38 PM
farmersemail
Ironhead
4
Apr 22, 2021 04:13 PM
General Hangover
Electrical/Lighting/Alarm
8
Mar 1, 2020 11:23 AM
1rlstump
Ignition/Tuner/ECM/Fuel Injection
1
Aug 4, 2015 07:07 PM
Caddo
Ignition/Tuner/ECM/Fuel Injection
0
Dec 5, 2012 01:10 PM




All times are GMT -5. The time now is 09:07 AM.

story-0
7 Times Harley-Davidson Chucked Tradition Out the Window

Slideshow: Harley-Davidson built its reputation on nostalgia, but every so often, the company took a hard left turn into the future.

By Verdad Gallardo | 2026-05-20 11:18:19


VIEW MORE
story-1
7 Surprising Harley-Davidson Products that Are Not Motorcycles

Slideshow: The bar-and-shield logo shows up on far more than motorcycles, some of the company's most unexpected products have nothing to do with riding.

By Verdad Gallardo | 2026-04-29 16:50:35


VIEW MORE
story-2
8 Best Harley-Davidson Motorcycles Ever

Slideshow: Not every Harley gets it right, but these are the ones that genuinely earned their reputation.

By Pouria Savadkouei | 2026-04-15 14:23:21


VIEW MORE
story-3
10 Worst Harley-Davidson Motorcycles Ever

Slideshow: From the troubled AMF years to modern misfires, these bikes earned reputations for reliability issues, questionable engineering, or disappointing performance.

By Pouria Savadkouei | 2026-04-01 20:01:09


VIEW MORE
story-4
Killer Custom's Jail Break Is The Breakout That Refused to Blend In

Slideshow: Killer Custom's "Jail Breaker" build focuses more on stance and visual aggression than mechanical overhaul.

By Verdad Gallardo | 2026-03-18 19:20:32


VIEW MORE
story-5
Crazy Bunderbike Build Looks Amazing, But Is It Impossible to Ride?

Slideshow: The Swiss custom shop has taken a Harley Softail and stretched it into something so long and low that it looks closer to a rolling sculpture than a conventional motorcycle.

By Verdad Gallardo | 2026-03-07 16:15:30


VIEW MORE
story-6
Harley-Davidson Reveals Super Cool Cafe Racer Concept

Slideshow: Harley-Davidson's new RMCR concept revives the café racer formula with modern hardware-and it may be exactly the reset the company needs.

By Verdad Gallardo | 2026-03-04 12:23:37


VIEW MORE
story-7
Engraved Rebellion: Inside Bundnerbike's Glam Rock II

Slideshow: A standard cruiser becomes an intricate metal canvas in the hands of a Swiss custom house known for pushing Harley-Davidson platforms far beyond their factory brief.

By Verdad Gallardo | 2026-02-24 18:19:44


VIEW MORE
story-8
10 Motorcycles You Should Never Buy

Slideshow: There is no shortage of great motorcycles to buy, but we would avoid these ten.

By Joe Kucinski | 2026-02-19 14:50:51


VIEW MORE
story-9
10 Things Harley-Davidson Needs to Fix in 2026

Slideshow: Harley-Davidson's challenges aren't abstract; they show up in dropping shipments, shrinking dealer traffic, and strategic decisions that aren't yet translating into growth.

By Verdad Gallardo | 2026-01-13 18:33:17


VIEW MORE