Fuse panel location
I am quite well equipped, several vom's - mid quality. And the usual 30 year old test light.
I will perform test with test light.
I will ground test light lead and contact probe to regulator pins one at a time.
Switch on?
Thanks again.
Sorry, it is a black wire going to the main breaker from the regulator. If that is at 0.05 amp draw, (50 miliamps), I think your regulator is OK from the drain aspect. And you should be checking all these drains with the switch off, of course. A 4.5 amp drain would empty that battery in a couple hours, and something would be getting pretty warm.
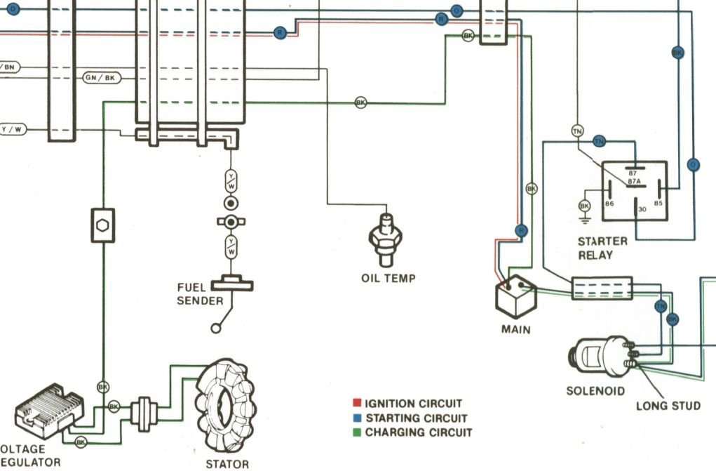
Now, one side of that breaker should have one black wire that goes to the starter solenoid. The other side should have 2 wires, a black from the regulator and a red to the rest of the breakers. So you have 3 wires on that side instead of 2? Where does the extra wire go?
Did you get those amperage with the switch off or on? If it was on, the draw is consistent with the equipment. If the readings were with switch off, you have a problem. As the Dr. said, it'd drain a battery in no time...
Sorry, it is a black wire going to the main breaker from the regulator. If that is at 0.05 amp draw, (50 miliamps), I think your regulator is OK from the drain aspect. And you should be checking all these drains with the switch off, of course. A 4.5 amp drain would empty that battery in a couple hours, and something would be getting pretty warm.
Now, one side of that breaker should have one black wire that goes to the starter solenoid. The other side should have 2 wires, a black from the regulator and a red to the rest of the breakers. So you have 3 wires on that side instead of 2? Where does the extra wire go?
It is difficult to see where wires [they disappear into harness loom] go but I believe that the top black wire from the breaker goes to starter+ to charge batt.
I cannot see where the extra black grouped with the 3 [red, black from reg and extra black] at the bottom breaker stud. I was hoping that the red was radio which I could leave disconnected but maybe it is that mystery black? I do have a wiring dia but it is very hard to follow.
Thanks very much for your comments.
Last edited by 00 fxd; Mar 31, 2021 at 03:14 PM.
This bike sat for a week recently and started. I did this as a test. The 2 amp battery tender keeps up..
Am I testing for draw correctly?
I connect vom test leads between disconnected - battery terminal.
Had enough of me yet?
Thanks again.
Some pictures would be helpful here.
If you followed the sticky, and you have less voltage at the battery running than you do not running, and 33V AC at the stator, then your regulator is bad. Replace that first.
It is difficult to see where wires [they disappear into harness loom] go but I believe that the top black wire from the breaker goes to starter+ to charge batt.
I cannot see where the extra black grouped with the 3 [red, black from reg and extra black] at the bottom breaker stud. I was hoping that the red was radio which I could leave disconnected but maybe it is that mystery black? I do have a wiring dia but it is very hard to follow.
Thanks very much for you comments.
Again, there is no factory red wire at the main breaker. Should be - black from starter (connected with main cable from battery on the starter) on copper stud side of the breaker. Other side should be 2 wires - black from regulator and black to ignition switch.
I recommend you verify the power from the starter (battery), voltage regulator on other (silver) breaker post, then on the silver post, connect only the wire required to power up the ignition/accessory. You'll know when the neutral, oil warnings come on and the starter button woks. Leave all other disconnected.
The sticky is excellent but remember this - a stator can show shorted to ground, on one or both pins, intermittently. Sometimes they can check no short with regulator un-plugged but when put under load, short to ground again. I've run into that several times. If you're getting 33 VAC @ 2000 rpms assume the stator is OK. Connect wires as mentioned in above paragraph. Start the bike and If you don't get 13 volts minimum at the battery, replace the regulator. We'll worry about the "unauthorized" wires later.
The Best of Harley-Davidson for Lifelong Riders
Black wire only on one side, red and black on the other. Black to regulator, red to the "Constant" circuit breaker on the right side of the block of breakers under the radio, then on to the rest of the bike .











