General Harley Davidson Chat Forum to discuss general Harley Davidson issues, topics, and experiences.
Sponsored by:
Sponsored by:

Engine codes

Thread Tools
 
Search this Thread
 
Old May 2, 2019 | 09:19 AM
  #1  
galxl68's Avatar
galxl68
Thread Starter
|
Stage III
Joined: May 2019
Posts: 3
Likes: 0
From: Rochester
Default Engine codes


I looked up the meanings. Can’t find driver circuit low. What is it? Any other help would be appreciated. 2017 RGS.
 
Reply
Old May 2, 2019 | 09:44 AM
  #2  
Mark out West's Avatar
Mark out West
Road Warrior
5 Year Member
Liked
Loved
Community Favorite
Joined: Mar 2017
Posts: 1,342
Likes: 1,476
From: Santa Barbara
Default

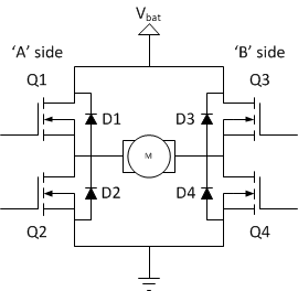
Guessing here, but one side of your electronic throttle "H-Bridge" driver has a short in it somewhere. Possibly both transistors on one side of the bridge are shorting to ground. Given the other codes though, I'd start with system voltage and confirm that first, then look for loose or broken wiring leading to the throttle motor.
 

Last edited by Mark out West; May 2, 2019 at 09:47 AM.
Reply
Old May 2, 2019 | 01:13 PM
  #3  
galxl68's Avatar
galxl68
Thread Starter
|
Stage III
Joined: May 2019
Posts: 3
Likes: 0
From: Rochester
Default ?

Are you talking about the throttle control sensor? And wiring in handlebars? Then from there to throttlbody
 
Reply
Old May 2, 2019 | 01:18 PM
  #4  
Keithhu's Avatar
Keithhu
Seasoned HDF Member
15 Year Member
Liked
Loved
Community Favorite
Joined: Sep 2009
Posts: 17,143
Likes: 6,165
From: SE Michigan
Default

I could be wrong, but looks to me like those are historical codes, I'd clear them and see if they come back.
 
Reply
Old May 2, 2019 | 02:28 PM
  #5  
Mark out West's Avatar
Mark out West
Road Warrior
5 Year Member
Liked
Loved
Community Favorite
Joined: Mar 2017
Posts: 1,342
Likes: 1,476
From: Santa Barbara
Default

As Keith pointed out, if you're currently afflicted with this problem, then I'd suggest checking the wiring between the ECU and the throttle-by-wire (ETC) motor on the intake. Look for obvious stuff first, possibly reseat some connectors, that kind of diagnostic. The DTCs point to a non-responsive throttle motor, which I'm assuming is your problem currently.
 
Reply
Old May 2, 2019 | 06:14 PM
  #6  
FlamedFXR's Avatar
FlamedFXR
Stellar HDF Member
15 Year Member
Liked
Loved
Community Favorite
Joined: Jul 2009
Posts: 2,825
Likes: 2,140
From: Hope Mills NC, bye CA!!
Default

If you just have codes and no running issue, clear them out. Most likely wont return.
 
Reply
Old May 2, 2019 | 08:25 PM
  #7  
galxl68's Avatar
galxl68
Thread Starter
|
Stage III
Joined: May 2019
Posts: 3
Likes: 0
From: Rochester
Default

Twice now the bike went into auto shut down. This time it started up in about a min Than it ran fine with
 
Reply
Old May 2, 2019 | 10:44 PM
  #8  
Mark out West's Avatar
Mark out West
Road Warrior
5 Year Member
Liked
Loved
Community Favorite
Joined: Mar 2017
Posts: 1,342
Likes: 1,476
From: Santa Barbara
Default

Given the reliability and redundancy of the throttle-by-wire system, I doubt this will be an "one-shot" problem. HD's Diagnostic tool probably has more detailed information compared with an OBC reader.

Did you or your mechanic do something with the engine before this started?
 

Last edited by Mark out West; May 2, 2019 at 10:47 PM.
Reply
HD Forum Stories

The Best of Harley-Davidson for Lifelong Riders

story-0

7 Surprising Harley-Davidson Products that Are Not Motorcycles

 Verdad Gallardo
story-1

8 Best Harley-Davidson Motorcycles Ever

 Pouria Savadkouei
story-2

10 Worst Harley-Davidson Motorcycles Ever

 Pouria Savadkouei
story-3

Killer Custom's Jail Break Is The Breakout That Refused to Blend In

 Verdad Gallardo
story-4

Crazy Bunderbike Build Looks Amazing, But Is It Impossible to Ride?

 Verdad Gallardo
story-5

Harley-Davidson Reveals Super Cool Cafe Racer Concept

 Verdad Gallardo
story-6

Engraved Rebellion: Inside Bundnerbike's Glam Rock II

 Verdad Gallardo
story-7

10 Motorcycles You Should Never Buy

 Joe Kucinski
story-8

10 Things Harley-Davidson Needs to Fix in 2026

 Verdad Gallardo
story-9

Southpaw Super Glide: A Left-Hand-Drive 1979 Harley FXE Built to Fit the Rider

 Verdad Gallardo
Related Topics
Thread
Thread Starter
Forum
Replies
Last Post
Z
Ignition/Tuner/ECM/Fuel Injection
2
Jun 5, 2024 12:50 PM
drew4jan
Touring Models
22
May 23, 2018 02:11 PM
tensaw
Touring Models
3
Feb 26, 2018 07:26 AM
FireHogRider
Electrical/Lighting/Alarm
18
May 4, 2017 11:37 AM
rick
Touring Models
6
Jan 17, 2013 09:49 AM




All times are GMT -5. The time now is 09:19 AM.

story-0
7 Surprising Harley-Davidson Products that Are Not Motorcycles

Slideshow: The bar-and-shield logo shows up on far more than motorcycles, some of the company's most unexpected products have nothing to do with riding.

By Verdad Gallardo | 2026-04-29 16:50:35


VIEW MORE
story-1
8 Best Harley-Davidson Motorcycles Ever

Slideshow: Not every Harley gets it right, but these are the ones that genuinely earned their reputation.

By Pouria Savadkouei | 2026-04-15 14:23:21


VIEW MORE
story-2
10 Worst Harley-Davidson Motorcycles Ever

Slideshow: From the troubled AMF years to modern misfires, these bikes earned reputations for reliability issues, questionable engineering, or disappointing performance.

By Pouria Savadkouei | 2026-04-01 20:01:09


VIEW MORE
story-3
Killer Custom's Jail Break Is The Breakout That Refused to Blend In

Slideshow: Killer Custom's "Jail Breaker" build focuses more on stance and visual aggression than mechanical overhaul.

By Verdad Gallardo | 2026-03-18 19:20:32


VIEW MORE
story-4
Crazy Bunderbike Build Looks Amazing, But Is It Impossible to Ride?

Slideshow: The Swiss custom shop has taken a Harley Softail and stretched it into something so long and low that it looks closer to a rolling sculpture than a conventional motorcycle.

By Verdad Gallardo | 2026-03-07 16:15:30


VIEW MORE
story-5
Harley-Davidson Reveals Super Cool Cafe Racer Concept

Slideshow: Harley-Davidson's new RMCR concept revives the café racer formula with modern hardware-and it may be exactly the reset the company needs.

By Verdad Gallardo | 2026-03-04 12:23:37


VIEW MORE
story-6
Engraved Rebellion: Inside Bundnerbike's Glam Rock II

Slideshow: A standard cruiser becomes an intricate metal canvas in the hands of a Swiss custom house known for pushing Harley-Davidson platforms far beyond their factory brief.

By Verdad Gallardo | 2026-02-24 18:19:44


VIEW MORE
story-7
10 Motorcycles You Should Never Buy

Slideshow: There is no shortage of great motorcycles to buy, but we would avoid these ten.

By Joe Kucinski | 2026-02-19 14:50:51


VIEW MORE
story-8
10 Things Harley-Davidson Needs to Fix in 2026

Slideshow: Harley-Davidson's challenges aren't abstract; they show up in dropping shipments, shrinking dealer traffic, and strategic decisions that aren't yet translating into growth.

By Verdad Gallardo | 2026-01-13 18:33:17


VIEW MORE
story-9
Southpaw Super Glide: A Left-Hand-Drive 1979 Harley FXE Built to Fit the Rider

Slideshow: Graeme Billington's left-hand-drive Shovelhead is as much about problem-solving as it is about classic Harley form.

By Verdad Gallardo | 2025-12-30 11:27:08


VIEW MORE