Shovelhead A place to talk about Shovelheads.

Fork

Thread Tools
 
Search this Thread
 
Old Mar 23, 2023 | 05:02 PM
  #1  
FXWG'80's Avatar
FXWG'80
Thread Starter
|
Cruiser
Liked
Loved
Community Favorite
Joined: Jan 2023
Posts: 101
Likes: 22
From: Italy
Default Fork

FXWG 1980 fork

What is the correct assembly order in slider, first metal washer and then above the oil seal?

I opened the forks and found the oil seal below and the metal washer above.
 
Reply
Old Mar 23, 2023 | 05:17 PM
  #2  
pgreer's Avatar
pgreer
Stellar HDF Member
Liked
Loved
Community Favorite
Top Answer: 1
Joined: Aug 2020
Posts: 3,156
Likes: 2,199
From: College Station, TX
Default

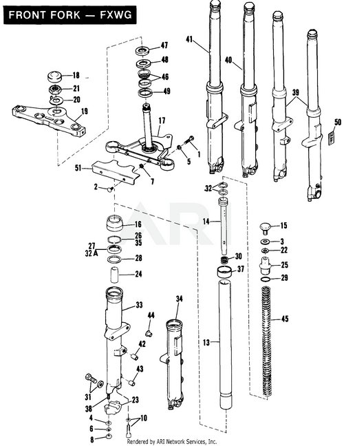
Washer on bottom, then seal and top retainer ring. The link included will show an image that can be zoomed in along with the part and part number associated with the listing numbers




https://www.harley-davidson.com/us/e...8e8c702cc5dc/y

Paul
 
Reply
Old Mar 24, 2023 | 07:32 AM
  #3  
FXWG'80's Avatar
FXWG'80
Thread Starter
|
Cruiser
Liked
Loved
Community Favorite
Joined: Jan 2023
Posts: 101
Likes: 22
From: Italy
Default

How to install oil seal?
Is it better to first insert the stem (slider tube) into the slider and then insert the oil seal?
Or do I first put the oil seal in the sleeve and then insert the stem?

How to insert the oil sel?
Has one side with a step, should this be inserted in the metal washer?

Oil seal lubricated with fork oil?
 

Last edited by FXWG'80; Mar 24, 2023 at 07:35 AM.
Reply
Old Mar 24, 2023 | 09:40 AM
  #4  
pgreer's Avatar
pgreer
Stellar HDF Member
Liked
Loved
Community Favorite
Top Answer: 1
Joined: Aug 2020
Posts: 3,156
Likes: 2,199
From: College Station, TX
Default

Ideally you wilI have a factory service manual to assist with reassembly and torque values.

I usually remove the lower leg (slider) from the tube still attached to the upper and lower fork brackets (on the bike), ie not removing the fork tube. As you can see in the previous attached picture, there is a bolt at the bottom of the sliders that release the slider from the tube. Note that when you loosen that bolt the fork oil will drain out so have a catch pan under the tube what removing that bolt. And you will need to loosen the top fork tube cap bolt because you will need to remove it later as that is how you will fill with fork oil. You will likely need to loosen the top fork clamp (top triple tree) to remove the fork cap bolt. Leave the lower ones tight. Not sure on your model how much clearance there is between the handlebars and the top fork tube cap bolt, so that may need to be considered.

Once the lower bolt is removed, remove the seal retaining ring and push the tube up where it stops and then pull down with some force until is stops. After a few attempts the seal will pull out of the slider and remain on the tube as you pull the slider off the tube. Clean everything up and check the bushings for wear and replace as needed. To reassemble, you will need a seal driver. You can purchase one for that size tube, but I usually make one out of PVC pipe but trimming the end so that is slides in the top of the slider but still fits the seal. I cut the PVC driver in half and use regular screw type hose clamps to hold the driver in place while pushing the slider against the seal until it bottoms in the slider. It will take several attempts to get the seal properly seated where the snap ring can be put in place.

To reassemble, use a seal protector, or a thin piece of plastic wrapped around the bottom of the tube to protect the seal and slide the seal and washer onto the tube. Look at how the current seal is installed (what the top of the existing seal looks like - assuming it is correct now). The seal will be flat on the top side and recessed a little on the bottom, lubricate and gently sllde the seal onto the tube.

Once things are back together, you will need to remove the top caps to refill with oil.

Paul

 

Last edited by pgreer; Mar 24, 2023 at 09:43 AM.
Reply
Old Mar 25, 2023 | 07:14 AM
  #5  
FXWG'80's Avatar
FXWG'80
Thread Starter
|
Cruiser
Liked
Loved
Community Favorite
Joined: Jan 2023
Posts: 101
Likes: 22
From: Italy
Default

The side that goes up is this (photos 1 and 2)




and this side down towards the metal washer (photo 3)




I've done all the work and I'm ready to oil seal....
 

Last edited by FXWG'80; Mar 25, 2023 at 07:16 AM.
Reply
Old Mar 25, 2023 | 09:10 AM
  #6  
pgreer's Avatar
pgreer
Stellar HDF Member
Liked
Loved
Community Favorite
Top Answer: 1
Joined: Aug 2020
Posts: 3,156
Likes: 2,199
From: College Station, TX
Default

Remember that the seal is to keep the oil in the slider, and there is a dust boot that goes on top of the slider and protects the seal from damage.

Paul
 
Reply
Related Topics
Thread
Thread Starter
Forum
Replies
Last Post
ZBoT
Touring Models
26
Sep 22, 2021 09:00 AM
nicmartim
Touring Models
7
Aug 15, 2020 02:04 PM
xcbullet
Touring Models
10
Jul 18, 2020 08:41 AM
Andrewwayne
Dyna Glide Models
6
Jun 5, 2017 02:34 PM
harley_jeff
Dyna Glide Models
6
Jul 25, 2010 10:52 PM




All times are GMT -5. The time now is 11:21 PM.