Touring Models Road King, Road King Custom, Road King Classic, Road Glide, Street Glide, Electra Glide, Electra Glide Classic, and Electra Glide Ultra Classic bikes.
Sponsored by:
Sponsored by:

Disconnect ABS?

Thread Tools
 
Search this Thread
 
Old Oct 18, 2025 | 08:46 AM
  #1  
bcool's Avatar
bcool
Thread Starter
|
Cruiser
Liked
Loved
Community Favorite
Joined: Jul 2023
Posts: 130
Likes: 42
From: South Carolina
Default Disconnect ABS?

Hello everyone.
2011 EG Ultra Limited
Can I disconnect the front ABS and keep the rear working?
After riding it 31,000 miles, I appreciate the elimination of non-lock up on the rear but prefer to modulate the front myself.
Thanks for the replies!
 
Reply
Old Oct 18, 2025 | 09:12 AM
  #2  
hattitude's Avatar
hattitude
Seasoned HDF Member
15 Year Member
Community Builder
Community Favorite
Top Answer: 10
Joined: Sep 2008
Posts: 14,077
Likes: 11,097
From: San Diego, CA
Default

Originally Posted by bcool

Hello everyone.
2011 EG Ultra Limited
Can I disconnect the front ABS and keep the rear working?
After riding it 31,000 miles, I appreciate the elimination of non-lock up on the rear but prefer to modulate the front myself.
Thanks for the replies!

Stand by to get lectured on the "necessity" of ABS for the universe to function properly...

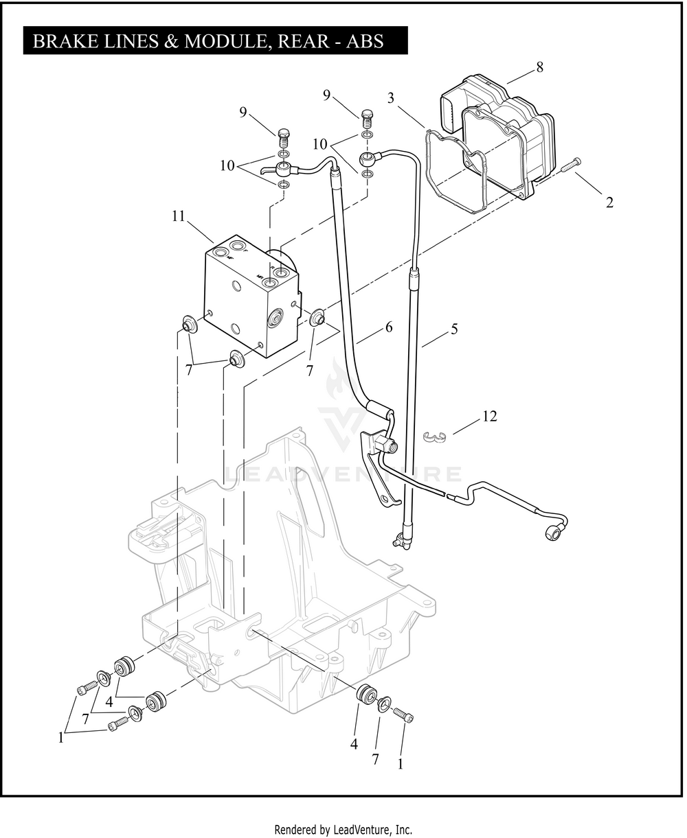
But to answer your question, I believe it's all or nothing with the ABS, but I'm not sure. I think if there is an issue with the ABS, it disengages front & rear.

You can experiment by disconnecting the front wheel ABS sensor and see what happens...?
 
Reply
Old Oct 18, 2025 | 09:47 AM
  #3  
IdahoHacker's Avatar
IdahoHacker
Club Member
Veteran: Army
10 Year Member
Liked
Community Favorite
Joined: Jul 2014
Posts: 11,460
Likes: 3,554
From: Idaho
Riders Club Member
Default

Nope, nope, no lecturing from me! You obviously can do what you wish. However, I think you may be choosing the wrong wheel.

If you lock up the rear tire, and you're reasonably skilled and aware of what you're doing, you can certainly ride the skid to a safe stop. We've all done it!

However, if you lock up the front tire, and you're not a professional, you're down. Almost instantly.

Disconnecting the front wheel ABS wouldn't be prudent. Nope.
 
Reply
Old Oct 19, 2025 | 10:55 AM
  #4  
bcool's Avatar
bcool
Thread Starter
|
Cruiser
Liked
Loved
Community Favorite
Joined: Jul 2023
Posts: 130
Likes: 42
From: South Carolina
Default

Hello all. Looking for some more opinions on how to disconnect the front ABS on a 2011 Ultra Limited.
Have a great Sunday!
 
Reply
Old Oct 19, 2025 | 11:10 AM
  #5  
CoolBreeze3646's Avatar
CoolBreeze3646
Seasoned HDF Member
Joined: Aug 2006
Posts: 24,428
Likes: 30,651
From: Pennsylvania
Default

You would need to isolate the front ABS off the control unit while keeping the rear line on control unit, plugging the front line holes on the control unit.

However, not recommended and you may get fault codes from the control unit and/or the ABS sensing bearing on the front.

I have seen videos of taking the whole ABS system out and bypassing it completely but not just one part of it.




 
Reply
Old Oct 20, 2025 | 12:04 AM
  #6  
Robertbc3141's Avatar
Robertbc3141
Road Warrior
Photogenic
Photoriffic
Community Builder
Liked
Joined: May 2025
Posts: 1,281
Likes: 657
From: Eastpointe, MI
Default

I'm surprised it's still working after 14 years.
Mine's been out for 16 years.
 
Reply
Old Oct 20, 2025 | 05:21 AM
  #7  
touchdown's Avatar
touchdown
Seasoned HDF Member
Veteran: Army
10 Year Member
Liked
Community Favorite
Joined: Apr 2014
Posts: 5,426
Likes: 2,486
From: Lititz Pa
Default

After using ABS on my newer bikes it took awhile but I like it. Now I'm sold on it. I was out on one of my older that was new to me 99RK haling *** came up om a 90* turn hit the brakes and a oh **** moment started into a slide lucky it was in farm country and slid into a field, was ok. If I was on my bike with ABS that would have happened. Just Saying.
 
Reply
Old Oct 20, 2025 | 08:33 AM
  #8  
foxtrapper's Avatar
foxtrapper
HDF Community Team
Veteran: Navy
Veteran: National Guard
10 Year Member
Top Answer: 3
Joined: Nov 2012
Posts: 6,186
Likes: 2,412
From: USA
Community Team
Default

Originally Posted by bcool
Can I disconnect the front ABS and keep the rear working?
Darned if I know, and I kinda doubt anyone here knows for sure either.

In any case, download the wiring diagram and see how to unpin the ABS motor thingie so the front brake circuit is disabled. Then go ride and see what it does. By all means, try to lock the rear wheel and see if it locks.
Best case, it works for the rear and you ride around with a red light on the dash.
Worse case, the rear wheel locks and you know it didn't disable just the front brake control.
 
Reply
HD Forum Stories

The Best of Harley-Davidson for Lifelong Riders

story-0

7 Surprising Harley-Davidson Products that Are Not Motorcycles

 Verdad Gallardo
story-1

8 Best Harley-Davidson Motorcycles Ever

 Pouria Savadkouei
story-2

10 Worst Harley-Davidson Motorcycles Ever

 Pouria Savadkouei
story-3

Killer Custom's Jail Break Is The Breakout That Refused to Blend In

 Verdad Gallardo
story-4

Crazy Bunderbike Build Looks Amazing, But Is It Impossible to Ride?

 Verdad Gallardo
story-5

Harley-Davidson Reveals Super Cool Cafe Racer Concept

 Verdad Gallardo
story-6

Engraved Rebellion: Inside Bundnerbike's Glam Rock II

 Verdad Gallardo
story-7

10 Motorcycles You Should Never Buy

 Joe Kucinski
story-8

10 Things Harley-Davidson Needs to Fix in 2026

 Verdad Gallardo
story-9

Southpaw Super Glide: A Left-Hand-Drive 1979 Harley FXE Built to Fit the Rider

 Verdad Gallardo
Old Oct 26, 2025 | 05:55 AM
  #9  
bcool's Avatar
bcool
Thread Starter
|
Cruiser
Liked
Loved
Community Favorite
Joined: Jul 2023
Posts: 130
Likes: 42
From: South Carolina
Default

Good morning, everyone. Just a follow up on my original post. I had a slight pulsating on the rear brake that was not the ABS kicking in but had always thought the ABS was too sensitive even before the pulsating began.
I replaced the rotor, went to organic pads, (previously ran HH pads) and flushed the brake fluid system and now can report the rear brakes perform much better, more stopping power before I have to brake hard enough to activate the ABS.
I honestly believe the HH pads were too sensitive (grabby?) and the organic pads are the way to go on the rear. I still run HH on the front and it works well.
Thank you for all of your suggestions and replies.
Barron
 
Reply
Old Oct 26, 2025 | 07:01 AM
  #10  
Robertbc3141's Avatar
Robertbc3141
Road Warrior
Photogenic
Photoriffic
Community Builder
Liked
Joined: May 2025
Posts: 1,281
Likes: 657
From: Eastpointe, MI
Default I'd rather replace the pads than the rotors.

Originally Posted by bcool
Good morning, everyone. Just a follow up on my original post. I had a slight pulsating on the rear brake that was not the ABS kicking in but had always thought the ABS was too sensitive even before the pulsating began.
I replaced the rotor, went to organic pads, (previously ran HH pads) and flushed the brake fluid system and now can report the rear brakes perform much better, more stopping power before I have to brake hard enough to activate the ABS.
I honestly believe the HH pads were too sensitive (grabby?) and the organic pads are the way to go on the rear. I still run HH on the front and it works well.
Thank you for all of your suggestions and replies.
Barron
I also use organic pads.
They have a better feel
Yes you have to replace them more often and there is brake dust. And you do have to hit them once before you really want to stop in a hard rain or coming out of the car wash.
But on my historic motorcycle the rotors are hard to find, virtually unavailable, I'd rather wear the pads than the rotors. Even on my newer bikes - I have never had to replace a rotor.
 

Last edited by Robertbc3141; Oct 26, 2025 at 07:11 AM. Reason: spelin n gramer
Reply



All times are GMT -5. The time now is 10:02 AM.

story-0
7 Surprising Harley-Davidson Products that Are Not Motorcycles

Slideshow: The bar-and-shield logo shows up on far more than motorcycles, some of the company's most unexpected products have nothing to do with riding.

By Verdad Gallardo | 2026-04-29 16:50:35


VIEW MORE
story-1
8 Best Harley-Davidson Motorcycles Ever

Slideshow: Not every Harley gets it right, but these are the ones that genuinely earned their reputation.

By Pouria Savadkouei | 2026-04-15 14:23:21


VIEW MORE
story-2
10 Worst Harley-Davidson Motorcycles Ever

Slideshow: From the troubled AMF years to modern misfires, these bikes earned reputations for reliability issues, questionable engineering, or disappointing performance.

By Pouria Savadkouei | 2026-04-01 20:01:09


VIEW MORE
story-3
Killer Custom's Jail Break Is The Breakout That Refused to Blend In

Slideshow: Killer Custom's "Jail Breaker" build focuses more on stance and visual aggression than mechanical overhaul.

By Verdad Gallardo | 2026-03-18 19:20:32


VIEW MORE
story-4
Crazy Bunderbike Build Looks Amazing, But Is It Impossible to Ride?

Slideshow: The Swiss custom shop has taken a Harley Softail and stretched it into something so long and low that it looks closer to a rolling sculpture than a conventional motorcycle.

By Verdad Gallardo | 2026-03-07 16:15:30


VIEW MORE
story-5
Harley-Davidson Reveals Super Cool Cafe Racer Concept

Slideshow: Harley-Davidson's new RMCR concept revives the café racer formula with modern hardware-and it may be exactly the reset the company needs.

By Verdad Gallardo | 2026-03-04 12:23:37


VIEW MORE
story-6
Engraved Rebellion: Inside Bundnerbike's Glam Rock II

Slideshow: A standard cruiser becomes an intricate metal canvas in the hands of a Swiss custom house known for pushing Harley-Davidson platforms far beyond their factory brief.

By Verdad Gallardo | 2026-02-24 18:19:44


VIEW MORE
story-7
10 Motorcycles You Should Never Buy

Slideshow: There is no shortage of great motorcycles to buy, but we would avoid these ten.

By Joe Kucinski | 2026-02-19 14:50:51


VIEW MORE
story-8
10 Things Harley-Davidson Needs to Fix in 2026

Slideshow: Harley-Davidson's challenges aren't abstract; they show up in dropping shipments, shrinking dealer traffic, and strategic decisions that aren't yet translating into growth.

By Verdad Gallardo | 2026-01-13 18:33:17


VIEW MORE
story-9
Southpaw Super Glide: A Left-Hand-Drive 1979 Harley FXE Built to Fit the Rider

Slideshow: Graeme Billington's left-hand-drive Shovelhead is as much about problem-solving as it is about classic Harley form.

By Verdad Gallardo | 2025-12-30 11:27:08


VIEW MORE