Dyna Glide Models Super Glide, Super Glide Sport, Super Glide Custom, Dyna Glide Convertible, Super Glide T-Sport, Dyna Glide Police, Dyna Switchback, Low Rider, Street Bob, Fat Bob and Wide Glide.
Sponsored by:
Sponsored by:

Shifter gaskets/spacers

Thread Tools
 
Search this Thread
 
Old Jun 3, 2016 | 08:51 AM
  #1  
Volant1006's Avatar
Volant1006
Thread Starter
|
6th Gear
Joined: Mar 2016
Posts: 12
Likes: 1
From: Reading, PA
Default Shifter gaskets/spacers

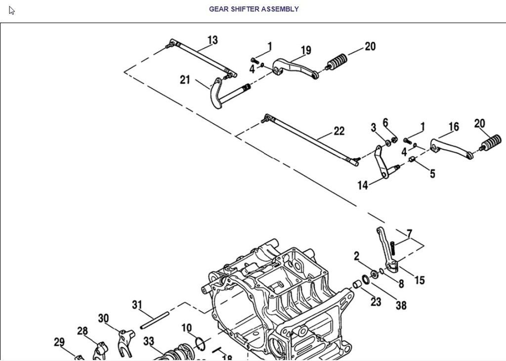
So I had my primary open for the 1st time tracking down some noise issues. The bike has some leaks which I've been trying to track down as well. I think it's the back shifter seal which I'll need to take off the inner primary which I don't think I'm gonna do at this time. Anyways on the shifter shaft itself there was a thin rubber gasket that's been stretched out into an oval. I want to replace this. It doesn't look like it does much. I tried using one of the heavy duty (cometic) shfiter seals there but when I put that on, the outer primary won't fit back snug. I tried looking at the schematic and can't seem to find any info. My question is should that shifter shaft have a thin circular rubber gasket on it? Does the spacer then go on the outside of the primary between the outer primary and the shifter peg itself? Bought the bike used so I wasn't sure if the guy before me maybe had this open and forgot to replace parts. Thx






 
Reply
Old Jun 3, 2016 | 09:25 AM
  #2  
cggorman's Avatar
cggorman
Extreme HDF Member
Joined: Jun 2014
Posts: 11,448
Likes: 2,299
From: NW Ohio
Default

Looking at the microfiche, it appears to be gasket 63869-06 (In the "Primary Housing" section)
 

Last edited by cggorman; Jun 3, 2016 at 09:30 AM.
Reply
Old Jun 3, 2016 | 10:00 AM
  #3  
mud's Avatar
mud
Club Member
Joined: May 2006
Posts: 14,564
Likes: 9,225
From: the 50s & the 60s
Riders Club Member
Default

Originally Posted by Volant1006
.

Anyways on the shifter shaft itself there was a thin rubber gasket that's been stretched out into an oval.

I want to replace this.

It doesn't look like it does much.
.
.
.
that's the tower gasket. 63869-06

prevents leakage from the primary chaincase.

when you install the new one, sticky side to the inner primary.
.
.

.
.
.
 
Reply
Old Jun 3, 2016 | 12:31 PM
  #4  
Volant1006's Avatar
Volant1006
Thread Starter
|
6th Gear
Joined: Mar 2016
Posts: 12
Likes: 1
From: Reading, PA
Default

Awesome, thanks guys! I'll get that replaced today. Hopefully that fixes some of my leaking issues. Chasing the dragon not sure where it's coming from.
 
Reply
Related Topics
Thread
Thread Starter
Forum
Replies
Last Post
tunafisher729
Dyna Glide Models
16
Nov 8, 2018 06:48 AM
joesride
Dyna Glide Models
3
Oct 14, 2017 02:32 PM
bobbyjoes
Softail Models
4
Dec 28, 2012 07:12 PM
skdvr
General Harley Davidson Chat
16
Sep 9, 2011 09:58 AM
splitting_lanes
Primary/Transmission/Driveline/Clutch
5
May 27, 2008 08:52 AM




All times are GMT -5. The time now is 05:44 PM.

story-0
7 Times Harley-Davidson Chucked Tradition Out the Window

Slideshow: Harley-Davidson built its reputation on nostalgia, but every so often, the company took a hard left turn into the future.

By Verdad Gallardo | 2026-05-20 11:18:19


VIEW MORE
story-1
7 Surprising Harley-Davidson Products that Are Not Motorcycles

Slideshow: The bar-and-shield logo shows up on far more than motorcycles, some of the company's most unexpected products have nothing to do with riding.

By Verdad Gallardo | 2026-04-29 16:50:35


VIEW MORE
story-2
8 Best Harley-Davidson Motorcycles Ever

Slideshow: Not every Harley gets it right, but these are the ones that genuinely earned their reputation.

By Pouria Savadkouei | 2026-04-15 14:23:21


VIEW MORE
story-3
10 Worst Harley-Davidson Motorcycles Ever

Slideshow: From the troubled AMF years to modern misfires, these bikes earned reputations for reliability issues, questionable engineering, or disappointing performance.

By Pouria Savadkouei | 2026-04-01 20:01:09


VIEW MORE
story-4
Killer Custom's Jail Break Is The Breakout That Refused to Blend In

Slideshow: Killer Custom's "Jail Breaker" build focuses more on stance and visual aggression than mechanical overhaul.

By Verdad Gallardo | 2026-03-18 19:20:32


VIEW MORE
story-5
Crazy Bunderbike Build Looks Amazing, But Is It Impossible to Ride?

Slideshow: The Swiss custom shop has taken a Harley Softail and stretched it into something so long and low that it looks closer to a rolling sculpture than a conventional motorcycle.

By Verdad Gallardo | 2026-03-07 16:15:30


VIEW MORE
story-6
Harley-Davidson Reveals Super Cool Cafe Racer Concept

Slideshow: Harley-Davidson's new RMCR concept revives the café racer formula with modern hardware-and it may be exactly the reset the company needs.

By Verdad Gallardo | 2026-03-04 12:23:37


VIEW MORE
story-7
Engraved Rebellion: Inside Bundnerbike's Glam Rock II

Slideshow: A standard cruiser becomes an intricate metal canvas in the hands of a Swiss custom house known for pushing Harley-Davidson platforms far beyond their factory brief.

By Verdad Gallardo | 2026-02-24 18:19:44


VIEW MORE
story-8
10 Motorcycles You Should Never Buy

Slideshow: There is no shortage of great motorcycles to buy, but we would avoid these ten.

By Joe Kucinski | 2026-02-19 14:50:51


VIEW MORE
story-9
10 Things Harley-Davidson Needs to Fix in 2026

Slideshow: Harley-Davidson's challenges aren't abstract; they show up in dropping shipments, shrinking dealer traffic, and strategic decisions that aren't yet translating into growth.

By Verdad Gallardo | 2026-01-13 18:33:17


VIEW MORE