Touring Models Road King, Road King Custom, Road King Classic, Road Glide, Street Glide, Electra Glide, Electra Glide Classic, and Electra Glide Ultra Classic bikes.
Sponsored by:
Sponsored by:

Speedometer wiring

Thread Tools
 
Search this Thread
 
Old Oct 23, 2009 | 06:19 PM
  #1  
shewey's Avatar
shewey
Thread Starter
|
Stage III
Joined: Oct 2009
Posts: 3
Likes: 0
Default Speedometer wiring

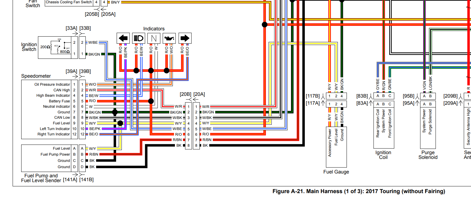
Would anyone have a wiring schematic of the 12 pins on the back of a speedo part#67517-08.Any help would be great. Thanks.
 

Last edited by shewey; Feb 25, 2010 at 04:32 PM. Reason: need new info
Reply
Old Apr 19, 2012 | 11:44 AM
  #2  
Winners08Rocker's Avatar
Winners08Rocker
Intermediate
Joined: Mar 2012
Posts: 39
Likes: 0
From: Round Rock, TX
Default

Back from the dead... yes. But in case anyone else needs this.
 
Reply
Old Mar 30, 2024 | 05:51 AM
  #3  
Nogoodstreetglide's Avatar
Nogoodstreetglide
1st Gear
Joined: Mar 2024
Posts: 5
Likes: 0
From: Cincinnati
Default

New to the site and I just seen this. Would you happen to have the speedometer wiring for a 17 street glide special that uses all 12 pins?
[/QUOTE]
 
Reply
Old Mar 30, 2024 | 06:56 AM
  #4  
Vernal's Avatar
Vernal
Club Member
Shutterbug
Liked
Loved
Community Favorite
Joined: Apr 2013
Posts: 7,675
Likes: 8,401
From: Utah
Riders Club Member
Default

@Nogoodstreetglide Welcome to the Forum from Utah. Doesn't look like the instrument module uses all 12 pins.




 
Reply
Old Mar 30, 2024 | 07:36 AM
  #5  
Nogoodstreetglide's Avatar
Nogoodstreetglide
1st Gear
Joined: Mar 2024
Posts: 5
Likes: 0
From: Cincinnati
Default

Is that for the 2017 flhxs? Yeah it uses all 12. I have not been able to find one at all. I've looked everywhere even called the dealership they wouldn't give it to me, but I don't think that is it.
 
Reply
Old Mar 30, 2024 | 07:38 AM
  #6  
Nogoodstreetglide's Avatar
Nogoodstreetglide
1st Gear
Joined: Mar 2024
Posts: 5
Likes: 0
From: Cincinnati
Default

I was pretty sure it did anyways, but I'll try on this diagram just to be on the safe side but I was thought it did all 12. I'll let you know.
 
Reply
Old Mar 30, 2024 | 07:56 AM
  #7  
Vernal's Avatar
Vernal
Club Member
Shutterbug
Liked
Loved
Community Favorite
Joined: Apr 2013
Posts: 7,675
Likes: 8,401
From: Utah
Riders Club Member
Default

@Nogoodstreetglide The Non fairing bikes use all 12, at least that's what the Manual shows.





 
Reply
Old Mar 30, 2024 | 09:08 AM
  #8  
Nogoodstreetglide's Avatar
Nogoodstreetglide
1st Gear
Joined: Mar 2024
Posts: 5
Likes: 0
From: Cincinnati
Default

Maybe I'm not remembering correctly. I'll figure it out but thank you so much for those wiring diagrams.
 
Reply
HD Forum Stories

The Best of Harley-Davidson for Lifelong Riders

story-0

7 Surprising Harley-Davidson Products that Are Not Motorcycles

 Verdad Gallardo
story-1

8 Best Harley-Davidson Motorcycles Ever

 Pouria Savadkouei
story-2

10 Worst Harley-Davidson Motorcycles Ever

 Pouria Savadkouei
story-3

Killer Custom's Jail Break Is The Breakout That Refused to Blend In

 Verdad Gallardo
story-4

Crazy Bunderbike Build Looks Amazing, But Is It Impossible to Ride?

 Verdad Gallardo
story-5

Harley-Davidson Reveals Super Cool Cafe Racer Concept

 Verdad Gallardo
story-6

Engraved Rebellion: Inside Bundnerbike's Glam Rock II

 Verdad Gallardo
story-7

10 Motorcycles You Should Never Buy

 Joe Kucinski
story-8

10 Things Harley-Davidson Needs to Fix in 2026

 Verdad Gallardo
story-9

Southpaw Super Glide: A Left-Hand-Drive 1979 Harley FXE Built to Fit the Rider

 Verdad Gallardo
Old Mar 30, 2024 | 10:25 AM
  #9  
GalvTexGuy's Avatar
GalvTexGuy
Seasoned HDF Member
Veteran: Navy
10 Year Member
Joined: Apr 2015
Posts: 10,032
Likes: 5,307
Default

Originally Posted by Vernal
@Nogoodstreetglide The Non fairing bikes use all 12, at least that's what the Manual shows.
I looked at every wiring schematic for touring with fairing and I’ll be damned if I could find the wiring diagram for the speedometer. Like you, I found non-fairing, but not with fairing.
 
Reply
Old Mar 30, 2024 | 01:00 PM
  #10  
Vernal's Avatar
Vernal
Club Member
Shutterbug
Liked
Loved
Community Favorite
Joined: Apr 2013
Posts: 7,675
Likes: 8,401
From: Utah
Riders Club Member
Default

Originally Posted by GalvTexGuy
I looked at every wiring schematic for touring with fairing and I’ll be damned if I could find the wiring diagram for the speedometer. Like you, I found non-fairing, but not with fairing.
@GalvTexGuy
It's confusing.

Once they put a fairing on, the "speedometer" becomes the Instrument Module. The connector number 39 is common to both, but the fairing models must use the HD Link output from the IM to control turn signal indicators .






 

Last edited by Vernal; Mar 30, 2024 at 01:09 PM.
Reply



All times are GMT -5. The time now is 05:02 PM.

story-0
7 Surprising Harley-Davidson Products that Are Not Motorcycles

Slideshow: The bar-and-shield logo shows up on far more than motorcycles, some of the company's most unexpected products have nothing to do with riding.

By Verdad Gallardo | 2026-04-29 16:50:35


VIEW MORE
story-1
8 Best Harley-Davidson Motorcycles Ever

Slideshow: Not every Harley gets it right, but these are the ones that genuinely earned their reputation.

By Pouria Savadkouei | 2026-04-15 14:23:21


VIEW MORE
story-2
10 Worst Harley-Davidson Motorcycles Ever

Slideshow: From the troubled AMF years to modern misfires, these bikes earned reputations for reliability issues, questionable engineering, or disappointing performance.

By Pouria Savadkouei | 2026-04-01 20:01:09


VIEW MORE
story-3
Killer Custom's Jail Break Is The Breakout That Refused to Blend In

Slideshow: Killer Custom's "Jail Breaker" build focuses more on stance and visual aggression than mechanical overhaul.

By Verdad Gallardo | 2026-03-18 19:20:32


VIEW MORE
story-4
Crazy Bunderbike Build Looks Amazing, But Is It Impossible to Ride?

Slideshow: The Swiss custom shop has taken a Harley Softail and stretched it into something so long and low that it looks closer to a rolling sculpture than a conventional motorcycle.

By Verdad Gallardo | 2026-03-07 16:15:30


VIEW MORE
story-5
Harley-Davidson Reveals Super Cool Cafe Racer Concept

Slideshow: Harley-Davidson's new RMCR concept revives the café racer formula with modern hardware-and it may be exactly the reset the company needs.

By Verdad Gallardo | 2026-03-04 12:23:37


VIEW MORE
story-6
Engraved Rebellion: Inside Bundnerbike's Glam Rock II

Slideshow: A standard cruiser becomes an intricate metal canvas in the hands of a Swiss custom house known for pushing Harley-Davidson platforms far beyond their factory brief.

By Verdad Gallardo | 2026-02-24 18:19:44


VIEW MORE
story-7
10 Motorcycles You Should Never Buy

Slideshow: There is no shortage of great motorcycles to buy, but we would avoid these ten.

By Joe Kucinski | 2026-02-19 14:50:51


VIEW MORE
story-8
10 Things Harley-Davidson Needs to Fix in 2026

Slideshow: Harley-Davidson's challenges aren't abstract; they show up in dropping shipments, shrinking dealer traffic, and strategic decisions that aren't yet translating into growth.

By Verdad Gallardo | 2026-01-13 18:33:17


VIEW MORE
story-9
Southpaw Super Glide: A Left-Hand-Drive 1979 Harley FXE Built to Fit the Rider

Slideshow: Graeme Billington's left-hand-drive Shovelhead is as much about problem-solving as it is about classic Harley form.

By Verdad Gallardo | 2025-12-30 11:27:08


VIEW MORE