Touring Models Road King, Road King Custom, Road King Classic, Road Glide, Street Glide, Electra Glide, Electra Glide Classic, and Electra Glide Ultra Classic bikes.
Sponsored by:
Sponsored by:

Batwing fairing vibration

Thread Tools
 
Search this Thread
 
Old Nov 15, 2024 | 06:41 AM
  #11  
joninte2's Avatar
joninte2
Stage I
Joined: Nov 2024
Posts: 1
Likes: 0
From: India
Default

Very true, if the windshield height isnt enough for the height of the rider it's going to be more uncomfortable than no windshield at all as it'll just angle the air and blow it directly into your face or up under your helmet making it feel like it's going to jump off your head. Very uncomfortable feeling.
 
Reply
Old Nov 15, 2024 | 04:57 PM
  #12  
Kozmo's Avatar
Kozmo
Road Master
Veteran: Army
10 Year Member
Liked
Community Favorite
Joined: Jan 2012
Posts: 1,173
Likes: 404
From: SE,GA
Default

I am replacing my verticle supports tomorrow.
 
Reply
Old Nov 19, 2024 | 08:22 AM
  #13  
Mongo1958's Avatar
Mongo1958
Stellar HDF Member
Photogenic
Liked
Loved
Community Favorite
Joined: Aug 2011
Posts: 2,738
Likes: 1,788
From: Newnan, GA
Default

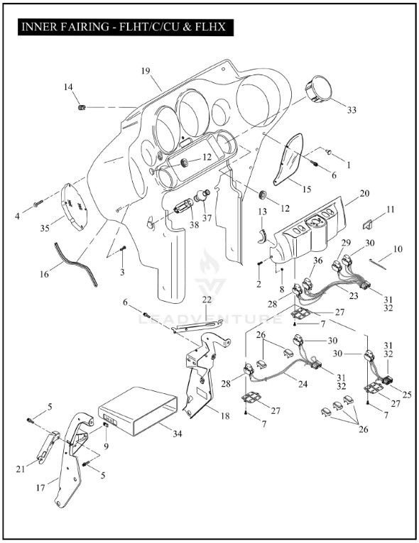
I removed the outer fairing and found the bottom mounts on the outer fairing cracked around the brass inserts. The cracked mount on the clutch side was large enough for the brass insert to fall out. The bottom screw ports of the inner fairing had stress cracks as well. I didn't take pics of the cracked ABS plastic parts but here are the pics after I repaired them. The brackets and the vertical supports, all looked good with no broken parts.
I've already made up my mind that I'm going to get a new inner and outer fairing. However, I'm hoping that this repair will last until then.



 
Reply
Old Nov 19, 2024 | 11:23 AM
  #14  
HD Bobber's Avatar
HD Bobber
Grand HDF Member
15 Year Member
Liked
Loved
Community Favorite
Joined: Sep 2010
Posts: 3,580
Likes: 215
From: Illinois
Default

I'll be replacing the big long brackets on mine this winter with HD's updated units since inner fairing is getting painted.
  • Left Fairing Support Bracket (#17): 58478-96B
  • Right Fairing Support Bracket (#18): 58479-96B

 
Reply
Related Topics
Thread
Thread Starter
Forum
Replies
Last Post
Basz
Touring Models
25
Sep 26, 2015 07:50 AM
luisan
General Harley Davidson Chat
22
Oct 2, 2012 09:16 AM
MyFirstHD
Touring Models
13
Jun 11, 2012 12:01 PM
Nute
Touring Models
2
Mar 17, 2012 07:52 AM
Streetrunner
Touring Models
34
Jun 3, 2008 09:31 PM




All times are GMT -5. The time now is 02:23 PM.

story-0
7 Surprising Harley-Davidson Products that Are Not Motorcycles

Slideshow: The bar-and-shield logo shows up on far more than motorcycles, some of the company's most unexpected products have nothing to do with riding.

By Verdad Gallardo | 2026-04-29 16:50:35


VIEW MORE
story-1
8 Best Harley-Davidson Motorcycles Ever

Slideshow: Not every Harley gets it right, but these are the ones that genuinely earned their reputation.

By Pouria Savadkouei | 2026-04-15 14:23:21


VIEW MORE
story-2
10 Worst Harley-Davidson Motorcycles Ever

Slideshow: From the troubled AMF years to modern misfires, these bikes earned reputations for reliability issues, questionable engineering, or disappointing performance.

By Pouria Savadkouei | 2026-04-01 20:01:09


VIEW MORE
story-3
Killer Custom's Jail Break Is The Breakout That Refused to Blend In

Slideshow: Killer Custom's "Jail Breaker" build focuses more on stance and visual aggression than mechanical overhaul.

By Verdad Gallardo | 2026-03-18 19:20:32


VIEW MORE
story-4
Crazy Bunderbike Build Looks Amazing, But Is It Impossible to Ride?

Slideshow: The Swiss custom shop has taken a Harley Softail and stretched it into something so long and low that it looks closer to a rolling sculpture than a conventional motorcycle.

By Verdad Gallardo | 2026-03-07 16:15:30


VIEW MORE
story-5
Harley-Davidson Reveals Super Cool Cafe Racer Concept

Slideshow: Harley-Davidson's new RMCR concept revives the café racer formula with modern hardware-and it may be exactly the reset the company needs.

By Verdad Gallardo | 2026-03-04 12:23:37


VIEW MORE
story-6
Engraved Rebellion: Inside Bundnerbike's Glam Rock II

Slideshow: A standard cruiser becomes an intricate metal canvas in the hands of a Swiss custom house known for pushing Harley-Davidson platforms far beyond their factory brief.

By Verdad Gallardo | 2026-02-24 18:19:44


VIEW MORE
story-7
10 Motorcycles You Should Never Buy

Slideshow: There is no shortage of great motorcycles to buy, but we would avoid these ten.

By Joe Kucinski | 2026-02-19 14:50:51


VIEW MORE
story-8
10 Things Harley-Davidson Needs to Fix in 2026

Slideshow: Harley-Davidson's challenges aren't abstract; they show up in dropping shipments, shrinking dealer traffic, and strategic decisions that aren't yet translating into growth.

By Verdad Gallardo | 2026-01-13 18:33:17


VIEW MORE
story-9
Southpaw Super Glide: A Left-Hand-Drive 1979 Harley FXE Built to Fit the Rider

Slideshow: Graeme Billington's left-hand-drive Shovelhead is as much about problem-solving as it is about classic Harley form.

By Verdad Gallardo | 2025-12-30 11:27:08


VIEW MORE