Softail Models Standard, Custom, Night Train, Deuce, Springer, Heritage, Fatboy, Deluxe, Rocker and Cross Bones.
Sponsored by:
Sponsored by:

Winter project 2015

Thread Tools
 
Search this Thread
 
Old Jan 19, 2016 | 02:40 PM
  #31  
gtmalone's Avatar
gtmalone
Thread Starter
|
Tourer
Joined: Nov 2015
Posts: 497
Likes: 187
From: Dallas area
Default

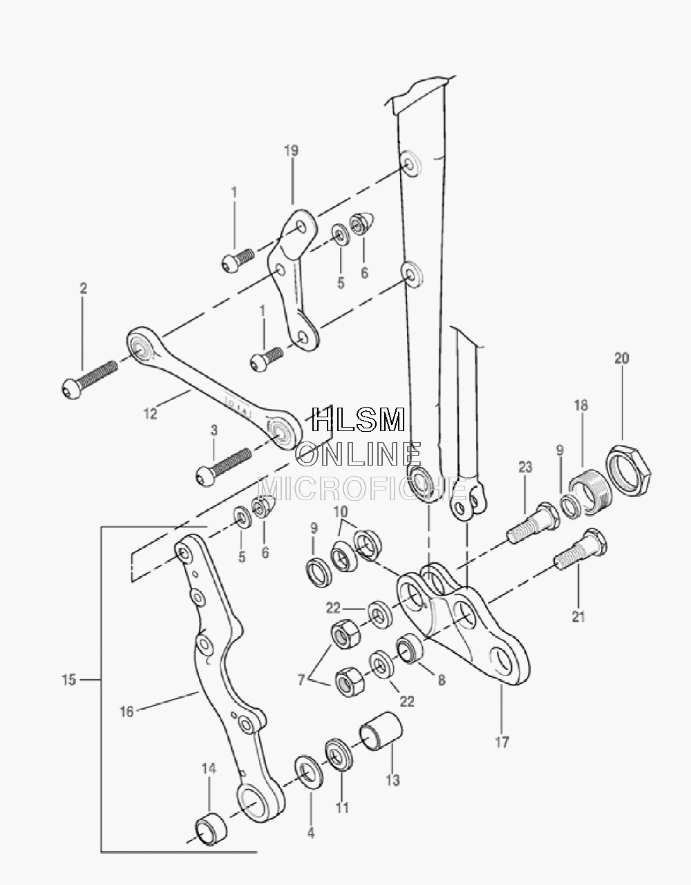
This is not so good. Pulled the rockers off today for service and found this problem. This is the bolt that holds the spherical bearings in place on the rigid fork. It's under the bearing retainer. If this bolt fails the rocker could come off of the rigid fork. It's actually a stud with a pressed on head. Judging from corrosion it broke sometime ago. I serviced the front end about 10K miles ago.

You are servicing your frontend on a regular basis aren't you? 10K is the recommended interval.

 
Reply
Old Jan 19, 2016 | 03:34 PM
  #32  
splattttttt's Avatar
splattttttt
Ultimate HDF Member
Veteran: Army
Joined: Jul 2014
Posts: 5,649
Likes: 430
From: MASS_hole
Default

I'm not getting where this bolt actually came from. Is it part of the steering neck?
 
Reply
Old Jan 19, 2016 | 05:59 PM
  #33  
Joe_G's Avatar
Joe_G
Stellar HDF Member
Joined: Jan 2013
Posts: 2,721
Likes: 103
From: St. Louis, MO
Default

Gordon, to help folks with springers on this forum as well, which stud was it that failed, 21 or 23?

Did you replace all 4 just to be safe?


 
Reply
Old Jan 19, 2016 | 06:58 PM
  #34  
gtmalone's Avatar
gtmalone
Thread Starter
|
Tourer
Joined: Nov 2015
Posts: 497
Likes: 187
From: Dallas area
Default

#23 and replacing #21, too. Both sides.
 
Reply
Old Jan 19, 2016 | 07:13 PM
  #35  
Joe_G's Avatar
Joe_G
Stellar HDF Member
Joined: Jan 2013
Posts: 2,721
Likes: 103
From: St. Louis, MO
Default

Does 23 have the female allen that you set the rocker tension with, then hold it and tighten #20 to spec?

It's cold out in the garage so I'm too lazy to go look....lol BTW cold in my book = current temp, 54 degrees.
 
Reply
Old Jan 20, 2016 | 08:30 AM
  #36  
gtmalone's Avatar
gtmalone
Thread Starter
|
Tourer
Joined: Nov 2015
Posts: 497
Likes: 187
From: Dallas area
Default

It's the bolt in the middle of the rocker on the rigid fork.

 
Reply
Old Jan 25, 2016 | 09:08 AM
  #37  
gtmalone's Avatar
gtmalone
Thread Starter
|
Tourer
Joined: Nov 2015
Posts: 497
Likes: 187
From: Dallas area
Default

Another set back with an exhaust stud. Bought new bolts and one of them had a burr. I'm sure I didn't cross thread. Made about a turn then it got tight. Took it off and no other bolt would go on. Ran a tap in the nut and the tap hung, too. Tried a Dremel on the end of the stud hoping to remove the bad spot but no luck.

Ended up taking about 2 hrs heating the head with a propane torch, tapping the stud with a hammer, rocking it around with visegrips, a lot of cussing...ad infinitum. Finally came out with no damage to the head.
 
Reply
Old Jan 25, 2016 | 09:25 AM
  #38  
Joe_G's Avatar
Joe_G
Stellar HDF Member
Joined: Jan 2013
Posts: 2,721
Likes: 103
From: St. Louis, MO
Default

^^^Gordon when you say bought new "bolts" and one had a burr, did you mean to say "nuts"?

If so, sounds like you got a mis-threaded nut and it screwed up your stud (and the tap wouldn't to through the nut either) which meant you had to replace the stud because you couldn't fix it.

If that's right, where did you get the new nuts? I am always hesitant to mess with exhaust bolts (many years as a young man fooling with header/manifold bolts, they get hot so often they don't last and break, often in the head...requiring head removal.... ugh). When and if I ever need to remove my exhaust, I would buy new nuts for this reason, but I don't want to buy them where you got yours! Lol
 
Reply
HD Forum Stories

The Best of Harley-Davidson for Lifelong Riders

story-0

7 Times Harley-Davidson Chucked Tradition Out the Window

 Verdad Gallardo
story-1

7 Surprising Harley-Davidson Products that Are Not Motorcycles

 Verdad Gallardo
story-2

8 Best Harley-Davidson Motorcycles Ever

 Pouria Savadkouei
story-3

10 Worst Harley-Davidson Motorcycles Ever

 Pouria Savadkouei
story-4

Killer Custom's Jail Break Is The Breakout That Refused to Blend In

 Verdad Gallardo
story-5

Crazy Bunderbike Build Looks Amazing, But Is It Impossible to Ride?

 Verdad Gallardo
story-6

Harley-Davidson Reveals Super Cool Cafe Racer Concept

 Verdad Gallardo
story-7

Engraved Rebellion: Inside Bundnerbike's Glam Rock II

 Verdad Gallardo
story-8

10 Motorcycles You Should Never Buy

 Joe Kucinski
story-9

10 Things Harley-Davidson Needs to Fix in 2026

 Verdad Gallardo
Old Jan 25, 2016 | 02:42 PM
  #39  
gtmalone's Avatar
gtmalone
Thread Starter
|
Tourer
Joined: Nov 2015
Posts: 497
Likes: 187
From: Dallas area
Default

Yes, I meant nuts. They came from HD. Any flanged nut would work. I got them at HD since I was already getting a boatload of other stuff.

The studs are in good shape. The rust is pretty much surface rust. I'm not replacing the other three.
 
Reply
Old Jan 29, 2016 | 09:01 AM
  #40  
gtmalone's Avatar
gtmalone
Thread Starter
|
Tourer
Joined: Nov 2015
Posts: 497
Likes: 187
From: Dallas area
Default

http://s471.photobucket.com/user/gtm...project?sort=2

Pretty good progress the past few days. Front end disassembled/cleaned/reinstalled (except the rockers - parts arrived late yesterday). Exhaust system, lights, handlebars, controls, wiring done.

It's possible I could finish up over the weekend. Temps in the 70's next few days!

A few things left -
- Finish front end
- Clean/repaint carb and install
- Compound/wax front fender and tank
- New brake fluid
- Repair broken thread in one saddlebag
- Treat the leather stuff
 

Last edited by gtmalone; Jan 30, 2016 at 08:57 AM.
Reply



All times are GMT -5. The time now is 09:37 PM.

story-0
7 Times Harley-Davidson Chucked Tradition Out the Window

Slideshow: Harley-Davidson built its reputation on nostalgia, but every so often, the company took a hard left turn into the future.

By Verdad Gallardo | 2026-05-20 11:18:19


VIEW MORE
story-1
7 Surprising Harley-Davidson Products that Are Not Motorcycles

Slideshow: The bar-and-shield logo shows up on far more than motorcycles, some of the company's most unexpected products have nothing to do with riding.

By Verdad Gallardo | 2026-04-29 16:50:35


VIEW MORE
story-2
8 Best Harley-Davidson Motorcycles Ever

Slideshow: Not every Harley gets it right, but these are the ones that genuinely earned their reputation.

By Pouria Savadkouei | 2026-04-15 14:23:21


VIEW MORE
story-3
10 Worst Harley-Davidson Motorcycles Ever

Slideshow: From the troubled AMF years to modern misfires, these bikes earned reputations for reliability issues, questionable engineering, or disappointing performance.

By Pouria Savadkouei | 2026-04-01 20:01:09


VIEW MORE
story-4
Killer Custom's Jail Break Is The Breakout That Refused to Blend In

Slideshow: Killer Custom's "Jail Breaker" build focuses more on stance and visual aggression than mechanical overhaul.

By Verdad Gallardo | 2026-03-18 19:20:32


VIEW MORE
story-5
Crazy Bunderbike Build Looks Amazing, But Is It Impossible to Ride?

Slideshow: The Swiss custom shop has taken a Harley Softail and stretched it into something so long and low that it looks closer to a rolling sculpture than a conventional motorcycle.

By Verdad Gallardo | 2026-03-07 16:15:30


VIEW MORE
story-6
Harley-Davidson Reveals Super Cool Cafe Racer Concept

Slideshow: Harley-Davidson's new RMCR concept revives the café racer formula with modern hardware-and it may be exactly the reset the company needs.

By Verdad Gallardo | 2026-03-04 12:23:37


VIEW MORE
story-7
Engraved Rebellion: Inside Bundnerbike's Glam Rock II

Slideshow: A standard cruiser becomes an intricate metal canvas in the hands of a Swiss custom house known for pushing Harley-Davidson platforms far beyond their factory brief.

By Verdad Gallardo | 2026-02-24 18:19:44


VIEW MORE
story-8
10 Motorcycles You Should Never Buy

Slideshow: There is no shortage of great motorcycles to buy, but we would avoid these ten.

By Joe Kucinski | 2026-02-19 14:50:51


VIEW MORE
story-9
10 Things Harley-Davidson Needs to Fix in 2026

Slideshow: Harley-Davidson's challenges aren't abstract; they show up in dropping shipments, shrinking dealer traffic, and strategic decisions that aren't yet translating into growth.

By Verdad Gallardo | 2026-01-13 18:33:17


VIEW MORE